EasyManua.ls Logo

Philips DVDR75 - Product Specifications; Regional Code and Technical Data

Philips DVDR75
72 pages
Print Icon
To Next Page IconTo Next Page
To Next Page IconTo Next Page
To Previous Page IconTo Previous Page
To Previous Page IconTo Previous Page
Loading...
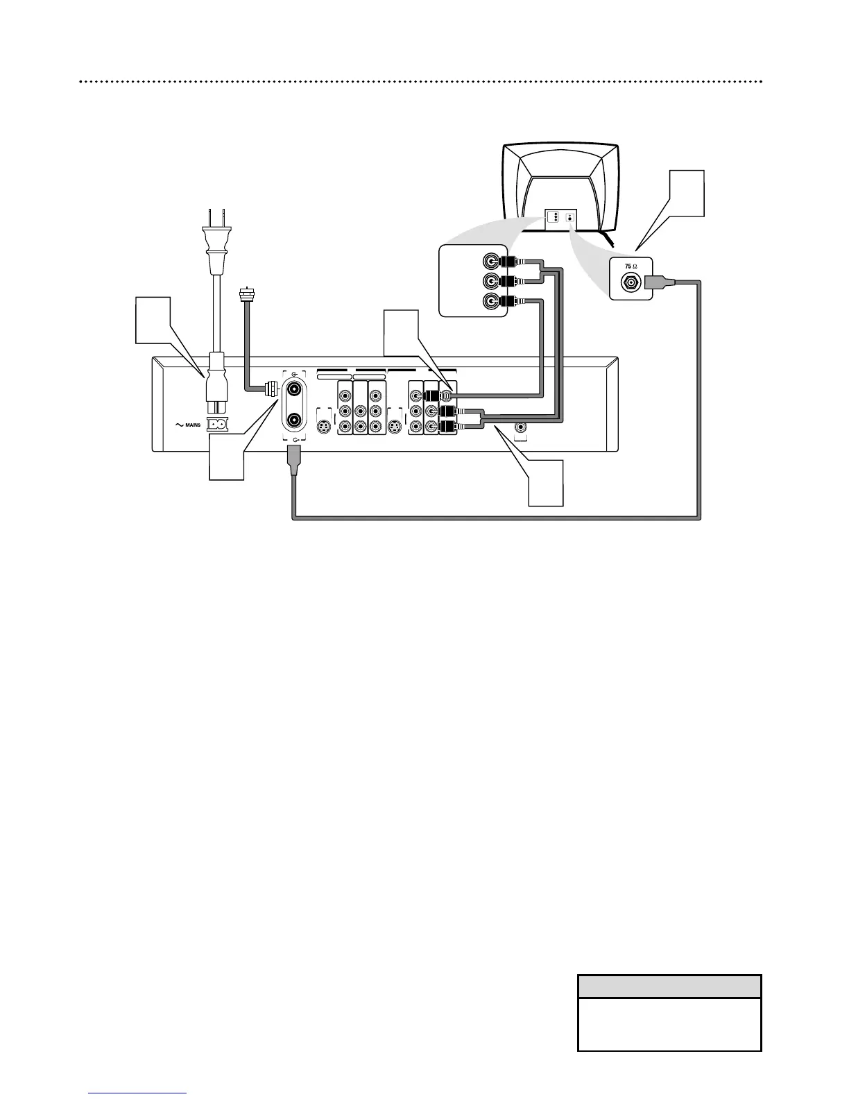
14 Hookups (cont’d)
Connecting to a TV Only
TV has a yellow CVBS Video In jack
DIGITAL
AUDIO OUT
AUDIO
COMPONENT
VIDEO
AUDIOVIDEO
(CVBS)
OUT
S-VIDEO
(Y/C)
L
RP
R
P
B
Y
AUDIO
COMPONENT
VIDEO
AUDIO
EXT 2 EXT 1
VIDEO
(CVBS)
IN
S-VIDEO
(Y/C)
L
RP
R
P
B
Y
ANTENNA
TV
Back of TV
(example only)
2
LEFT AUDIO IN
RIGHT AUDIO IN
LEFT AUDIO IN
RIGHT AUDIO IN
3
VIDEO IN
VIDEO IN
5
Antenna
or
Cable TV
Signal
1
4
1
Connect your Antenna or Cable TV signal to the ANTENNA jack on
the rear of the DVD Recorder.
2
Connect the Recorders yellow OUT VIDEO (CVBS) jack to your
TVs VIDEO IN jack. Use the supplied video cable that has yellow markings.
3
Connect a supplied two-strand audio cable to the Recorders
white/red OUT AUDIO L/R (left/right) jacks and to the left/right
AUDIO IN jacks on your TV. The supplied two-strand audio cable has red
and white markings. Match the cable colors to the jack colors.
4
Connect the supplied RF coaxial cable to the TV jack on the rear of
the Recorder. Connect the other end of the same RF coaxial cable
to the Antenna In jack on your TV. Your TV’s Antenna In jack may be
labelled RF In,Antenna In, or 75 ohm. Check your TV manual for details.
5
Connect the supplied power cord to the MAINS (AC Power) jack on
the rear of the DVD Recorder.
Connect the power cords of the Recorder and the TV to a power
outlet.
6
Press STANDBY-ON
yy
on the front of the Recorder to turn it on.
If “IS TV ON? CO3” appears on the display panel, you need to turn on your
TV and set it to the correct Video In channel. (See next step.) This is part of
the Initial Setup of the DVD Recorder.You cannot see the Initial Setup screens
until you turn on the TV and have it on the correct Video In channel.
7
Turn on the TV power. Set the TV to the correct Audio/Video In
channel. Such channels may be called AUX or AUXILIARY IN,
AUDIO/VIDEO or A/V IN, EXT1 or EXT2 or External In, etc.
This is not
channel 3 or 4. See your TV manual. Your TV remote may have a button or
switch that selects the Video In channel. Or, go to your lowest TV channel and
change channels down until you see the DVD background picture or Initial
Setup screen. The Initial Setup screen will appear the first time you turn on the
Recorder. Go to page 18 to continue.
The TV’s Video In jack is usually
yellow. It may be labeled video,
CVBS, composite, or baseband.
Helpful Hint