EasyManua.ls Logo

Philips DVDR75 - Supported Disc Types; Discs for Playback and Recording

Philips DVDR75
72 pages
Print Icon
To Next Page IconTo Next Page
To Next Page IconTo Next Page
To Previous Page IconTo Previous Page
To Previous Page IconTo Previous Page
Loading...
1
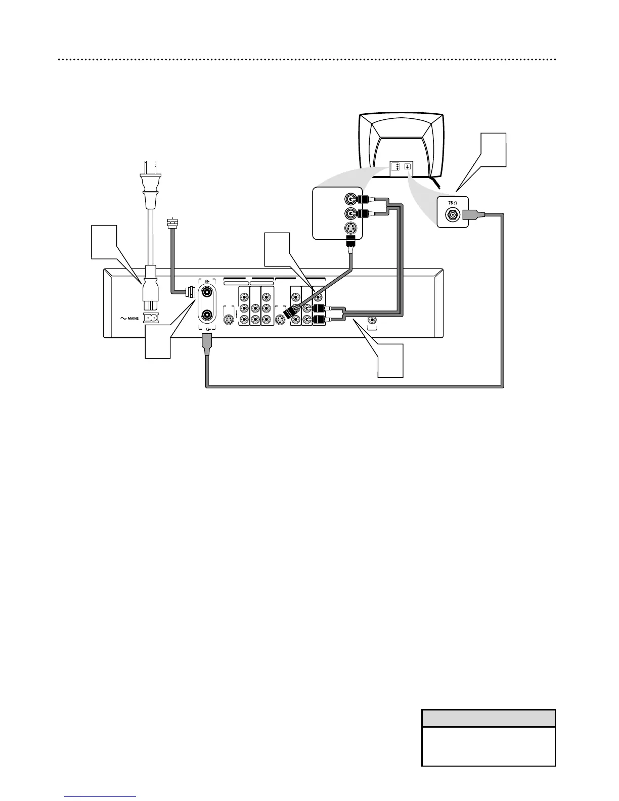
Connect your Antenna or Cable TV signal to the ANTENNA jack on
the rear of the DVD Recorder.
2
Connect an S-Video cable (not supplied) to the Recorders OUT S-
VIDEO (Y-C) jack and to the TVs S-VIDEO In jack.
3
Connect a supplied two-strand audio cable to the Recorders
white/red OUT AUDIO L/R (left/right) jacks and to the left/right
AUDIO IN jacks on the TV. The supplied two-strand audio cable has red
and white markings. Match the cable colors to the jack colors.
4
Connect the supplied RF coaxial cable to the TV jack on the rear of
the DVD Recorder. Connect the other end of the same RF coaxial
cable to the Antenna In jack on your TV. Your TV’s Antenna In jack may
be labelled RF In,Antenna In, or 75 ohm. Check your TV’s manual for details.
5
Connect the supplied power cord to the MAINS (AC Power) jack on
the rear of the DVD Recorder.
Connect the power cords of the Recorder and the TV to a power
outlet.
6
Press STANDBY-ON
yy
on the front of the Recorder to turn it on.
If “IS TV ON? C03” appears on the display panel, you need to turn on your TV
and set it to the S-Video In channel. (See next step.) This is part of the Initial
Setup of the DVD Recorder.You cannot see the Initial Setup screens until you
turn on the TV and have it on the correct S-Video In channel.
7
Turn on the TV power. Set the TV to the S-Video In channel. This is
not channel 3 or 4 when you are using S-Video. Your TV remote may have a
button or switch that selects the S-Video In channel. Or, go to your lowest TV
channel and change channels down until you see the DVD background picture
or Initial Setup screen on the TV screen. The Initial Setup screen will appear the
first time you turn on the Recorder. Go to page 18 to continue.
Hookups (cont’d) 13
Connecting to a TV Only
TV has an S-Video In Jack
DIGITAL
AUDIO OUT
AUDIO
COMPONENT
VIDEO
AUDIOVIDEO
(CVBS)
OUT
S-VIDEO
(Y/C)
L
RP
R
P
B
V
AUDIO
COMPONENT
VIDEO
AUDIO
EXT 2 EXT 1
VIDEO
(CVBS)
IN
S-VIDEO
(Y/C)
L
RP
R
P
B
V
ANTENNA
TV
Back of TV
(example only)
2
LEFT AUDIO IN
RIGHT AUDIO IN
LEFT AUDIO IN
RIGHT AUDIO IN
3
5
Antenna
or
Cable TV
Signal
1
S-VIDEO IN
S-AUDIO IN
4
On the TV, the S-Video In jack
may be labeled Y/C, S-Video, or
S-VHS (super video).
Helpful Hint