EasyManua.ls Logo

Philips FM24 - Page 102

Philips FM24
122 pages
Print Icon
To Next Page IconTo Next Page
To Next Page IconTo Next Page
To Previous Page IconTo Previous Page
To Previous Page IconTo Previous Page
Loading...
Circuit Descriptions and List of Abbreviations
EN 102 FM249.
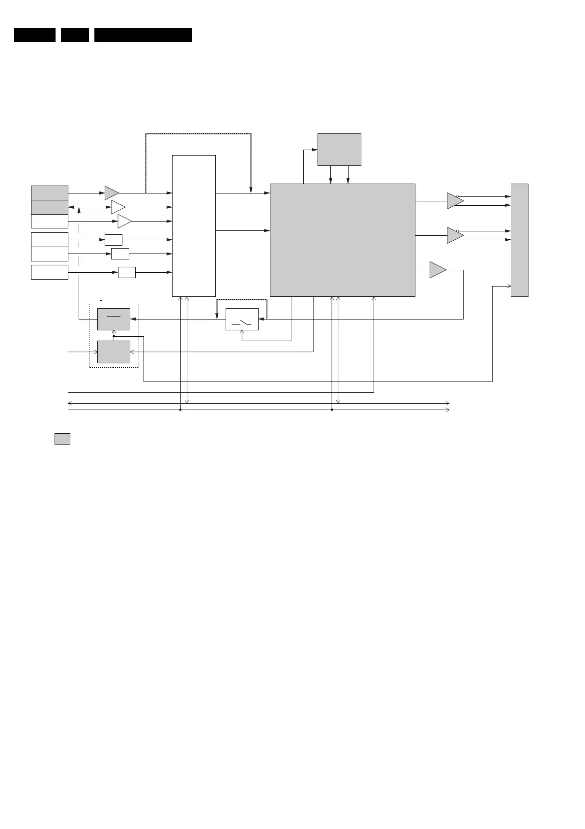
9.4.3 Audio processing (Diagrams SC13, 14 and 15)
This chapter describes the audio processing on the SCAVIO
board. The circuit enables to connect several audio sources,
selects the source on the desired input, and performs audio
processing and audio delay. It also matches the output signals
for the Audio Amplifier panel.
The sound-related electronics for FM24 are very straight
forward, and consists of a Micronas MSP3415G sound
processor, an active highpass and lowpass filter, and separate
Class-D amplifiers for woofers and tweeters.
Figure 9-15 Audio Path
The processing part consists mainly of the following
components:
MSP3415G:
A DSP sound processor from Micronas. This component is
able to do all kinds of digital signal processing like volume,
bass/treble, UltraBass and balance. It has analogue inputs
and outputs, as well as an I
2
S in/output used for digital
audio delay.
RAM:
With its logic to be able to store the I
2
S information for
audio delay.
Anti-plop/ mute circuit:
Which is necessary to prevent disturbances on the audio
lines during start-up or switching.
TEA6422:
A matrix switch of ST. This component is able to switch six
inputs to three different outputs (only used in the Enhanced
version).
MSP3415G
Ultra Bass
Because of the closed box implementation in FM24, a common
DBE solution will not give an optimal bass performance. A
closed box needs a substantial boost over a wide frequency
range, while DBE operates in a limited frequency region.
Adaptive Ultra Bass 2 (UB2) is a suitable alternative. This
feature is based on the psycho-acoustic effect of the missing
fundamental, and gives the impression of a deep bass while
the loudspeakers do not reproduce these low frequencies. This
feature is implemented in the MSP3415G.
Audio delay
To compensate for 'lip sync error' (the difference in time
between the aural and visual perceptions), two different audio
delays are selectable via the customer's menu (one for the
Receiver box and one for the Monitor).
This is done at the audio processor IC7812 via an I
2
S bus and
an additional delay circuit (IC7880 - 7882).
One can select delays of 24 ms (I2S_DATA_IN1) and 40 ms
(I2S_DATA_IN2), or no delay.
In case of a delay, the AUDIO_L/R_IN is re-routed as
I2S_DATA_OUT to the audio delay circuit and, depending on
the selected delay, returned as I2S_DATA_IN1 or
I2S_DATA_IN2, resulting in AUDIO_L/R_OUT.
Anti-plop/Mute
In several cases, it is necessary to mute the sound output. This
muting is handled by the MSP sound processor, or by the
Receiver box in case of TV-mode.
In Monitor mode:
During switch 'on/off' of the monitor.
During source change.
During video or sync loss, or
By a user action (A/V-mute or mute).
In TV mode:
During switch 'on/off' of the Monitor/Receiver box.
During source change in the Receiver box.
During video or sync loss, or
By a user action (mute).
CL 26532038_012.eps
280302
VGA1
Audio-VGA-in
7798
(Enhanced only)
PRE-out1 (L)
PRE-out2 (R)
In 4
I2S
T1 T2
I2S7812
Out 1
I2C
Out 2
Out 3
7800
I2C-SDA
I2C-SCL
In 5
In 6
In 2
In 3
In 1
MSP-Reset
Power-ok
I2C-SDA
I2C-SCL
Matrix
Switch
TEA6422
VGA2
Audio-Flex-VGA
DVI-D
Audio-DVI
(Enhanced only)
(Basic only) 7880
(Enhanced only)
(Enhanced only)
(Enhanced only)
(Enhanced only)(Enhanced only)
(Enhanced only)
(Enhanced only)
(Enhanced only)
-4dB
-4dB
-4dB
-4dB
+3.0dB
Audio
inputs
AV1
Audio-CVBS
AV2
Audio-YC
Mute
Switch
(Basic only)
(Enhanced only)
AV3
Audio-YPbPr
Digital Audio
Delay Line
-4dB
-4dB
Logic
AUDIO DSP
MSP3415
7801 : 7808
&
MSP-Reset
SC1-OUT
Audio Enable
= Only for Basic configuration.
R-NEG
L-NEG
L-NEG
7851
7841
L-POS
0388
2* Differential
Amplifier
Audio out (to Audio Amplifier)
I2C-SDA
I2C-SCL
D-CTRL-1
D-CTRL-0
II2S-DA-In1
I2S-DA-In2
I2S-DA-Out
+4.9dB
DACM-R
+4.9dB
DACM-L
SCART1-in
SCART2-in
www.freeservicemanuals.info
31/8/2014
Digitized in Heiloo, Holland

Related product manuals