EasyManua.ls Logo

Philips FM24 - Page 49

Philips FM24
122 pages
Print Icon
To Next Page IconTo Next Page
To Next Page IconTo Next Page
To Previous Page IconTo Previous Page
To Previous Page IconTo Previous Page
Loading...
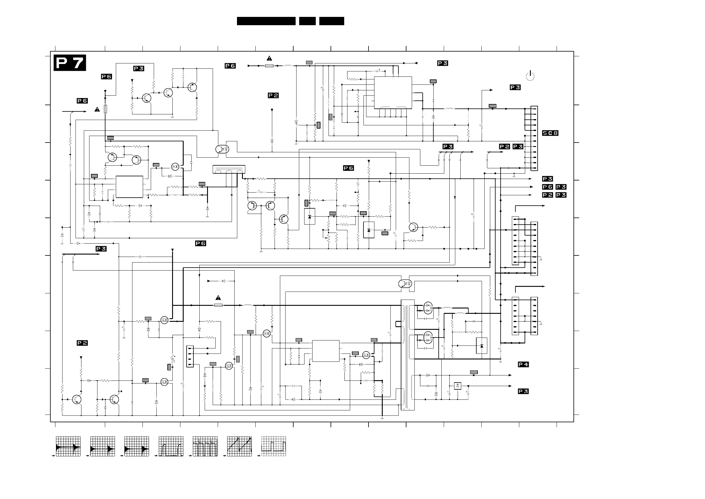
Electrical Diagrams and PWB Layouts
49FM24 7.
Power Supply Panel: Aux Supply
I105
20V / div DC
20µs / div
I106
20V / div DC
20µs / div
I107
20V / div DC
20µs / div
I216
2V / div DC
2µs / div
I236
20V / div DC
5µs / div
I265
500 mV / div DC
2µs / div
I267
5 V / div DC
2µs / div
F116 = 12V4
F261 = 3V3
I101 = 76V
I124 = 10V6
I127 = 2V8
I128 = 3V9
I132 = 2V6
I200 = 97V
I201 = 78V3
I202 = 0V
I208 = 0V
I213 = 0V
I214 = 14V2
I220 = 9V
I261 = 17V3
I266 = 0V
+t
GND
VCC
1%
1W
ERJ3E 1%
1%
1234
SFR16
I
0305 A13
0323 E13
0333 D12
0342 G12
0352 G13
(DISPLAY)
0305
0392 H4
1110 B1
1200 G5
1260 A6
2021 I3
2050 G3
2054 C1
2055 E2
2058 H2
2059 I1
2061 I2
2110 A4
600V
1%
1%
TO
56V9
78V4
2111 D1
2112 D1
2113 E1
5678910111213
123
1%
3V4
MCR10
2218 H9
2219 H9
2222 H10
2223 G10
2224 G10
2225 H10
2226 G11
2227 G11
2228 H12
F
G
H
I
A
B
C
D
E
F
G
H
5V
1W
VCC
D
PROTECTION
5V2
3053 H3
3054 B1
3058 G2
3062 H2
3083 H2
3084 I1
3085 I1
3086 I2
3087 I1
2114 E2
2117 D3
2118 C4
2121 D11
2122 D8
2123 D8
2126 E8
2133 E9
2138 D6
2203 I4
2205 I6
2210 I6
0V1
78V4
1V7
0V
2211 I7
2212 H7
2217 I8
3122 D8
3123 D8
3124 D8
3125 E8
3126 E7
3127 E7
3128 E8
3129 C1
3130 D8
2230 I11
2231 I11
2232 I10
2260 B7
2261 A7
2262 A7
2263 B8
2264 B8
2265 A8
2266 B8
2267 B10
2268 A10
0V02
14V2
78V3
0V
14V2
2269 B11
2270 A9
3051 G2
3149 B2
3150 A3
3151 A3
3152 B4
3200 G5
3201 G6
3202 H5
3203 I4
3204 I5
3088 I1
3110 C2
3111 C2
3112 D1
3113 D2
3114 D2
3115 D3
3116 D3
3117 D3
3118 D4
3119 D4
3120 D7
AUX_SUPPLY
1V3
14V9
55V4
55V
12V
78V3
3121 D7
3240 G4
3241 H4
3260 B7
3261 B7
3262 A8
3264 A8
3265 A8
3268 B11
4268 B11
3131 D9
3132 E8
3133 C8
3134 D10
3135 E10
3136 E10
3138 D5
3139 D6
3140 E6
3141 E6
3142 E6
3146 C6
VCC
1V4
0V
78V5
3147 D9
3148 A2
15V9
6111 D1
6112 E1
6113 D2
6117 C3
6120 D4
6123 D8
6133 B6
6142 G4
3205 I5
3212 H6
3213 I7
3214 I7
3216 H8
3217 I8
3218 I9
3219 I9
3224 G11
3225 H11
3226 G11
3228 F12
VA
PROTECTION
55V7
FILTER_STBY
(DISPLAY)
1V3
VCC
FROM
78V4
Vs Va
10V9
7050 G3
7052 I3
7058 I1
7059 I2
7110 C2
5120 C5
5200 G5
5220 G9
5224 G11
5225 G11
5260 A6
5268 B11
6050 G3
6054 E1
6055 E1
6061 I3
6086 I1
FROM
VCC-SUPPLY
TO
NC
0V
CN42
PROTECTION
CN52
PDP
78V5
7145 A4
7200 G6
7202 H5
7212 H7
7217 H8
7220 F9
6202 I4
6205 I5
6206 F5
6211 I7
6213 I7
6216 H8
6224 G10
6225 H10
6230 I10
6232 I10
6260 B6
6267 B10
FROM
VA
VCC
NORMAL . .
PDP
PROTECTION
CONTROL
97V
58V
70V
LLC_SUPPLY
+3V3
F133 F12
F134 F12
F135 G12
F136 G12
7111 C2
7112 C2
7117 C3
7120 C4
7121 D7
7130 E9
7134 E10
7140-A D5
7140-B D6
7142 D6
7143 A3
7144 A3
VCC
LLC_SUPPLY
alignment
PDP
FROM
+3V3-SUPPLY
NC
TO
G
NC
NC
CN23
FROM
FILTER_STBY
LLC_SUPPLY
F121 E13
F122 C12
F123 E13
F124 C12
F125 E11
F126 E11
F127 E11
F128 E11
F129 F12
F130 D12
F131 D12
F132 F13
TO
NC
VA
NC
DISCHARGE
CN33
I113 E1
I114 E2
I115 D2
F137 G13
F138 H12
F139 H13
F140 G12
F240 H4
F241 H4
F260 A6
F261 B12
F262 B12
F263 B13
F264 B13
F265 A6
VCC
TO
CONTROL-
SEQUENCE
Vs_unsw
PDP
TO
I128 D8
I129 E10
I131 E7
I132 E9
I101 B2
I102 C2
I103 C3
I104 C2
I105 C1
I106 C3
I107 D4
I108 D5
I109 D2
I110 D3
I111 D4
I112 D3
(DISPLAY)
NC
FANCONTROL
VS
(DISPLAY)
L 250V
VA
TO
1W
1%
PR01
ERJ3E 1%
I157 E6
I116 D2
I117 D3
I118 C4
I119 D4
I120 D8
I121 D7
I122 E11
I123 D9
I124 D7
I125 D9
I126 D8
I127 D8
1%
1%
PR01
1%
1W
1%
78V3
I210 G5
I211 G6
I212 G6
I213 H5
I214 H7
I215 H6
I216 H8
I217 H8
I218 H7
I133 C5
I134 C5
I135 C6
I140 A2
I141 A3
I142 A3
I143 A4
I152 C9
I153 D6
I154 D7
I155 D6
I156 D6
MEASURED DC-VOLTAGES
LLC_SUPPLY
CONTROL
TO
RC12H 1%
FROM
TO
S
NC
VCC
I158 C1
I159 E1
I160 E2
I161 G2
I200 G3
I201 H3
I202 I3
I203 I2
I204 I1
I207 I1
I208 H5
I209 H9
VA-SUPPLY
FROM
17V3
I264 B8
I265 B7
I266 B7
I267 A10
I268 B11
I269 B10
I270 B11
I271 A8
I219 I8
I220 H4
I221 I7
I222 I4
I224 I8
I225 I1
I230 F11
I231 F11
I232 G10
I233 G10
I234 G11
I235 G10
PROTECTION
TO
L 250V
FROM
STANDBY . .
FROM
NC
TO
Adj.
CONTROL
57V9
TO
VS
750mA 60V
VA
12V4
8V4
F118 E12
F119 E12
TO
1%
I236 H9
I237 H11
I238 H10
I240 I9
I241 I10
I243 I10
I259 A9
I261 A7
I262 A8
I263 A8
8 9 10 11 12 13
A
B
C
D
RES
7227 H11
7230 I11
7260 A10
F102 C13
F106 F13
F107 G13
F110 A1
F111 C9
F113 G4
F114 I11
F115 A9
F116 I11
LLC_SUPPLY
VA
FUNCTIONS
70V
F120 F12
VA
FILTER_STBY
VA
VCC
14V
4567
E
PROTECTION
TO
I156
F130
IRFR18N15D
7052
2266
25
22n
3225
11K
I128
100V
BF422
7144
2K2
3126
2122
1u0
1K
3268
I241
I235
1
2
3
4
5
6
7
I225
PH-B
0342
I221
50
1u
2138
I157
2547u
2210
5200
100u
I238
1
10
2
3
4
5
6
7
8
9
I215
0323
VH
F136
I208
F135
I116
25
22u
2133
F137
F128
3121
47K
I271
0R1
3119
6120
I102
6112
BAS316
BYW29EX
F110
3261
1K
6133
BAS316
9
I263
1
11
12
13
14
16
18
2
3
4
56
7
47R
3202
5220
CT296F
I101
I141
I142
I237
I140
I222
2269
220u
25
3152
I133
3120
100K
3150
100R
1n
2112
25
1K8
3114
560K
100V
2055
680p
I152
I131
10K
3151
I267
I125
BC847BW
7143
10K
3149
7202
BSN20
F134
220R
47K
3148
2230
47u
16
3139
F125
I106
0R22
3146
3129
10K
+9V_STBY_SW
I103
100p
2227
50
I264
F120
+5V_STBY_SW
3138
I135
100R
3133
220R
I111
F261
6086
MCL4148
I115
10n
2110
50
F265
TL431CZ
7121
2
1
3
BAS316
6113
I160
I143
100n
2203
16
I113
7200
BSN304
I134
150R
3228
20K
3262
470n
2264
16
I119
70-90V
BC857BW
7145
2121
2m2
100
47K
3086
18K
3123
3131
11K
I108
7111
BF423
I159
I114
F124
35
1m
2261
6123
BAS316
F106
16
47u
2231
I118
I224
I231
100n
2061
16
1K
3127
3124
7K5
100
2058
1u
I120
F127
100
3m3
2021
7140-B
5
3
4
3053
232266293
BC857BS
I124
I203
16
2212
100n
19372
1110
T5A
I105
I112
I121
I161
2118
1n
1000
50
2111
220p
6K8
3264
BC847BW
7134
16
100n
2226
1K
3130
7227
TL431CZ
2
1
3
BZX384-C18
6216
BZX384-C18
6205
F133
F139
3
4
5
6
7
F262
I126
0352
PH-B
1
2
I269
10K
3117
F115
16
2260
1u
F122
1K
3265
220K
3200
I232
8
DRAIN
6
DRIVER
2
GND
7
HVS
5
SENSE
1
VCC
6061
BZX79-C18
TEA1507
7112
CTRL
3
4
DEMAG
I204
7217
PSMN070
I210
I207
I201
77-100V
I240
7130
TL431CZ
2
1
3
3217
10K
I266
I127
0392
PH-B
1
2
3
4
3141
75K
I270
7110
BF423
2219
47u
160
+3V3
VS
BZX384-C18
6117
2
6
1
50
2223
100p
7140-A
BC857BS
BYD33D
6055
1K
3083
16
+15V
I219
330n
2117
F114
F121
7
SENSE
5
VCC
1
220p
2211
50
6260
BT151X-500R
7212
TEA1507
3
CTRL
DEMAG
4
DRAIN
8
DRIVER
6
GND
2
HVS
25V220u
2113
BAS316
6202
50
2263
2n7
6u8
5224
I153
I211
F241
F260
3058
1M
I158
I262
12K
3224
BYV28
6230
I236
25
2205
2u2
3n3
2123
50
3128
33K
3203
100R
25
2m2
2224
5260
100u
F118
I110
1K
3111
F107
6211
RS1G
3112
1K
10K
3054
I259
F264
3216
1K
6232
BZX384-C15
16
10K
3084
F263
100n
2126
I268
1K
3116
3134
330R
L4940
7230
GND
IN OUT
F113
1m
2228
35
3136
47K
330p
2265
50
1K
3260
I243
2054
100p
I117
100V
4268
+12V
PSMN035
7050
F132
I154
10
11
12
2
3
4
5
6
7
8
9
PH-B
0305
1
I213
F123
I218
I216
3142
1K
I122
3147
11K
I129
I233
1K
3240
3132
470K
3113
+5V_STBY_SW
I261
16
2217
330n
F116
3115
220K
+8V6
3110
1K
7220
TCET1102
14
32
I107
10K
3226
220n
2262
50
I217
I200
BAS316
6206
CU20v
5120
1
10
13
2
4
5
6054
BYD33D
6267
SB540
100K
3204
2m2
25
3n3
2218
1600
BZX79-C18
6050
2225
5225
6u8
0R1
3219
BYV28
6142
3241
1K
I234
F140
5268
100u
47K
3085
3
2
220n
2114
50
STPS20L40CFP
6225
1
25
47u
2270
I123
3118
0R1
+15V
I104
4n7
2267
50
3214
270K
F129
7K5
3125
1K
3212
+3V3_OVP
7058
BC847BW
I209
16
2059
100n
7117
PSMN035
75K
3122
3218
0R1
47K
3135
I265
F138
1K
3062
I132
T2A
1200
19372
3088
47K
I155
3205
100K
F111
BAS316
6111
3140
75K
50
2268
220n
F119
47K
+15V
I214
3087
I202
1
2
3
4
5
6
7
8
9
50
2232
100p
0333
VH
25
2050
100n
100p
2222
50
BF422
7059
3
2
I220
F131
6224
STPS20L40CFP
1
F102
7120
TCET1102
14
32
BAS316
6213
3051
39R
7142
BF423
I109
I212
1M
3213
F240
F126
10K
3201
18
V5.1
16 87
VFB
12
I230
BOOT
9
COMP
11
4 5 6 131415
INH
10
OSC
1
OUT1
2
OUT2
3
SS
17
SYNC
1260
361
7260
L4973V
VCC
VA
IAKS
VCC_GO
POK
VB
VSA_CONTROL
VRA
CL 26532055_007.eps
030502
www.freeservicemanuals.info
31/8/2014
Digitized in Heiloo, Holland

Related product manuals