EasyManua.ls Logo

Philips FM24 - Page 94

Philips FM24
122 pages
Print Icon
To Next Page IconTo Next Page
To Next Page IconTo Next Page
To Previous Page IconTo Previous Page
To Previous Page IconTo Previous Page
Loading...
Circuit Descriptions and List of Abbreviations
EN 94 FM249.
conducts more, as a result of which the voltage at pin 7 of the
MC34067 increases.
The output voltage of the error amplifier gets lower, and the
current through R3005 increases.
Accurate Over Voltage Protection is added, using a TL431
(7304) as reference/comparator and an additional optocoupler
(7003) that acts on the fault input pin 10 of the MC34067P (see
also 'Protections Main Supply').
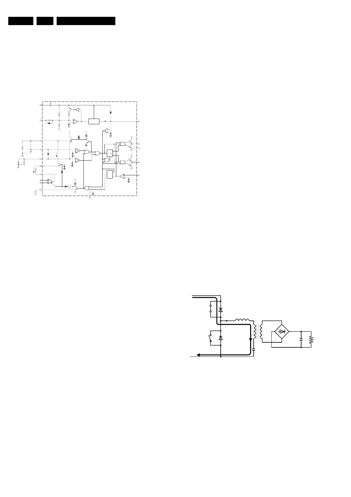
The Controller
Figure 9-6 MC34067
The MC34067P controller, is used for the following reasons:
Zero voltage switching.
Variable frequency oscillator (above 1 MHz).
Precision one shot timer for the dead time.
5 V reference output.
Double, high current totem-pole output.
Soft start.
Wideband error amplifier.
Fault input (protection).
The oscillator circuit is build around an internal comparator with
two threshold-voltages: 4.9 and 3.6 V.
C2004 is first charged via transistor Q1. If the voltage across
C2004 is more then 4.9 V, the output of the upper comparator
becomes low, the NOR-port output will be high, and Q1 will be
blocked because the base will be shortened by Q2. C2004 will
be discharged via the resistors R3003 and the oscillator control
current (I
OSC
).
If the voltage across C2004 is below the lower threshold (3.6
V), transistor Q1 is conducting and the capacitor is charged
again. The oscillation frequency is modulated by the oscillator
control current.
The discharge current increases, when pin 3 is loaded even
more; thus the lower the voltage on pin 3, the higher the
oscillator control current and the higher the frequency. The
maximum frequency is reached when the output of the error
amp is minimal (0.1 V). Thus, R3005 determines the maximum
frequency.
The minimum frequency is reached, when I
OSC
current is zero:
C2004 then discharges only via the resistor R3003.
One Shot Timer
The one-shot timer is present, to de-activate both outputs
simultaneously, and to provide a dead time, so that only one
output will be activated.
The one-shot capacitor (C2005) is first charged by Q1. The
one-shot period begins when the oscillator comparator is
switched 'off' by Q1. The one-shot capacitor is discharged via
the parallel resistance (R3004): if this voltage gets lower than
the lower threshold of 3.6 V, the comparator will be high and
controls the flip-flop, which makes one of both outputs high.
If Q1 is re-conducted through the oscillator comparator, the
one-shot capacitor is re-charged.
Fault Detector Input
At pin 10, there is a fault detector input. If this voltage reaches
1 V, the output of the OpAmp goes high, and both drive outputs
are switched 'off'.
In addition, the output of OR3 will be high via the 'fault latch'.
The output of OR3 drives Q1, so both the oscillator and the
one-shot-capacitor remain charged. Via OR3, the soft-start
capacitor is discharged.
Soft-start
Due to the soft-start circuit, the oscillator starts with maximum
frequency. The low voltage on the soft-start capacitor (C2027)
is buffered and keeps the error amplifier output low (I
OSC
= max
-> f
OSC
= max).
The capacitor is charged with a current of 9 µA, the output of
the buffer gets high, and the error amplifier input takes charge
of the oscillator control current.
Driver stage
The two secondary windings of the driver transformer are
wound in opposite directions and control the two switching
MOSFETs. The primary winding of the driver transformer is
alternately controlled by the two totem-pole outputs of the
controller. Cross-conduction of both MOSFETs is prevented by
the dead time.
The gate of each MOSFET is controlled via the resistors 3014/
3017 and via the diodes 6007/6008. The transistors 7007/7008
discharge the gate faster by switching 'off'. The diodes 6017/
6028 at the base-emitter of 7007/7008 prevent the zener effect
of these transistors. The zener diodes at the gate-source of
7005/7006 are for ESD protection. C2011 and C2014, form the
capacity for the series resonant circuit.
MOSFET switching
The total switching time can be distributed over 12 phases with
different current paths. Only four phases are discussed to
simplify the explanation:
Phase 1 (S1 closed, S2 open)
Figure 9-7 Phase 1 Resonance Supply
The gate of MOSFET 1 is positive, which causes S1 to close.
The input voltage Vi of 400 V
DC
, provides a current flow through
S1 and the series circuit. At the same time, a current flows
through the rectifier diodes in the secondary winding, which will
charge capacitor Cs.
The current through Lr starts negative, but it is increasing to
change polarity.
Capacitor Cr is charged sinusoidal, while the voltage at Lr
drops. This makes the current drop.
CL 16532099_111.eps
260901
3
12
Output B
13
14
8
7
Inverting Input
Oscillator
Control Current
16
9
8.0V
Q2
R
C2005
R3003
C2004
R3004
R3005
V
ref
4.9V/3.6V
15
V
CC
Enable /
UVLO Adjust
One-Shot RC
Error Amp Output
Noninverting Input
Soft-Start
Fault Input
Power Ground
Output A
V
ref
D1
Q1
I
OSC
Oscillator
MC34067
One±Shot
Error Amp
Clamp
OSC-RC
OSC-CHARGE
3.1V
Error Amp
9.0
µ
A
1.0V
OR3
Fault
Latch
S
R
Q
Q
Q
T
Steering
Flip-Flop
4.2/4.0V
V
ref
UVLO
V
CC
UVLO
7.0k
50k 7.0k
50k
4.9V/3.6V
V
ref
5.1V
Reference
1
2
6
11
I
OSO
5
10
CL 16532099_112.eps
260901
Lr
Lp
Cr
S1
S2
Vi
+
Br1
D1
D2 Cs
www.freeservicemanuals.info
31/8/2014
Digitized in Heiloo, Holland

Related product manuals