EasyManua.ls Logo

Philips FWM390 - Tape Module Block Diagram

Philips FWM390
82 pages
Print Icon
To Next Page IconTo Next Page
To Next Page IconTo Next Page
To Previous Page IconTo Previous Page
To Previous Page IconTo Previous Page
Loading...
9-2
9-2
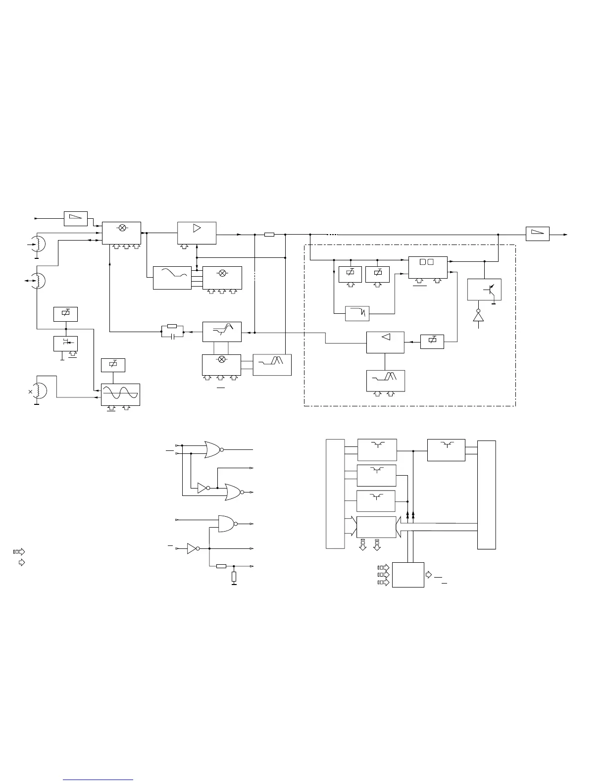
BLOCK DIAGRAM
Deck B (Rec/Pb) switches, sensors & motor
4x
DECK(S) SW.
STATUS TO
VOLTS CONV.
2x
SOLENOID
SUPPLY CTRL
SOLENOID
SUPPLY CTRL
MOTOR VCC
SUPPLY CTRL
NS/HS CTRL
Deck A (Pb) switches, sensors & motor
NOM/HI SPEED
REC EON.
IEC I IEC II
REC EON.
REC EON. SW.
HEF4952BT
RECORD AMP
NJM4560D
OSCILLATOR
REC
CRB
Line-In
Playback
Head
Rec/Pb
Head
Erase
Head
BIAS SYM
HD SW.
BIAS ADJ
Erase
Bias
REC
ALCEN
PRE-AMPLIFIER
AN7318S
SOURCE SEL
HEF4952BT
1A0 1A1 1A2
Rec current
ATTEN
ALC
PLAYBACK
EQUALISATION
PB EON. SW.
HEF4952BT
2A0 2A1 2A2
MPX
1A0
1A1
PB A ADJ
PB B ADJ
Rec In
PB In
2A2
DOLBY B NR
CXA1101M
REC Out
PB Out
REC ADJ
SHIFT
REGISTER
HEF4094BT
3A0 3A1 3A2
(HS) (REC) (CRB)
DOLBY
NOM/HI SPEED
REC EON.
3A0 NS
2A2
MUTE
For Dolby version only
PB Out
ATTEN
4794 #
9792 #
#
CLK
DATA
STROBE
# For Non-dolby version only
Only 1 channel is presented.
NOTE:
MicroProcessor Control / Communication lines
Direct / Indirect Control lines from Shift Registers
AD1 AD2
1A2
1A1
ALCEN
1A0
REC
7787
7791
7780
7710
7720
7740
7730
7630
7640
1A0
2A1
2A2
REC
NS/HS (NS)
HS
NS/HS
(NS)
3A0
2A0
CRA
7792
7622
7788
7610

Table of Contents

Other manuals for Philips FWM390

Related product manuals