EasyManua.ls Logo

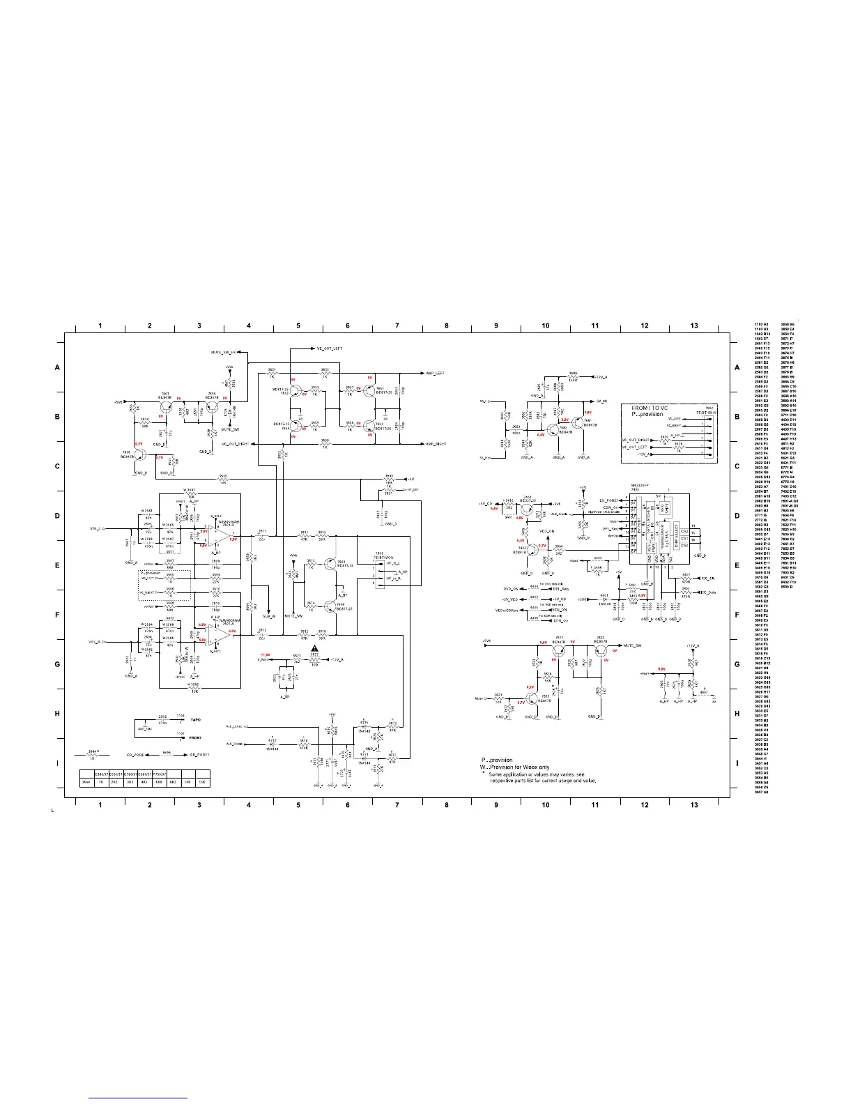
Philips FWM390 - Headphone Amplifier & IC Expander Circuit

Philips FWM390
82 pages
Print Icon
To Next Page IconTo Next Page
To Next Page IconTo Next Page
To Previous Page IconTo Previous Page
To Previous Page IconTo Previous Page
Loading...
12-5
12-5
HEADPHONE AMPLIFIER & I
2
C EXPANDER CIRCUIT
1K

Table of Contents

Other manuals for Philips FWM390

Related product manuals