EasyManua.ls Logo

Philips FWM390 - Tape Module Exploded Views; Tape Module Assembly Exploded View

Philips FWM390
82 pages
Print Icon
To Next Page IconTo Next Page
To Next Page IconTo Next Page
To Previous Page IconTo Previous Page
To Previous Page IconTo Previous Page
Loading...
9-9
9-9
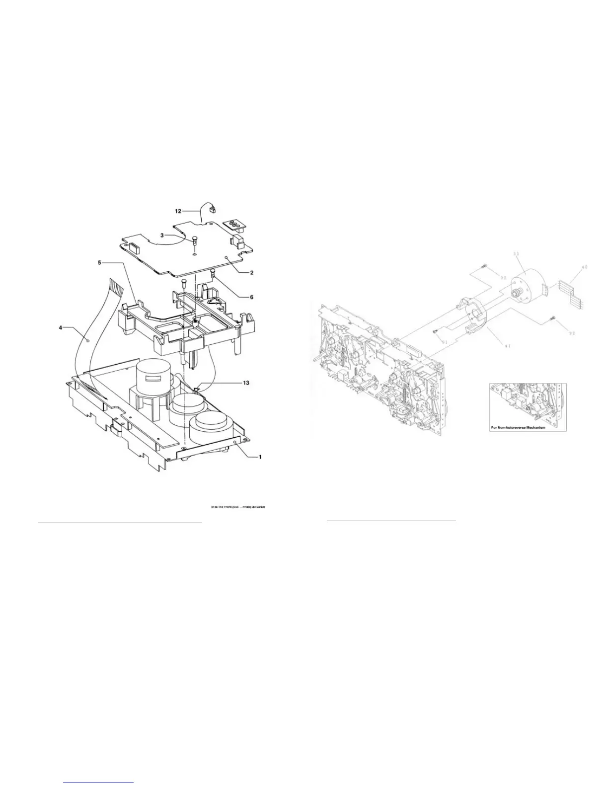
TAPE MECHANISM - MOTOR EXPLODED VIEW
31 4822 361 11055 Motor Assembly
91 - Screw M2,6 x 5
92 - Screw M2 x 5
Note: Only the parts mentioned in this list are normal
service spare parts.
TAPE MODULE EXPLODED VIEW
1 3139 118 77130 Autoreverse Mech. CWE44FR01
1 3139 118 77140 Non-Autoreverse Mech. CWE44FF02 Chrome/Ferro
1 3139 118 77950 Non-Autoreverse Mech. CWE44FF05 Ferro
3 - Screw D3 x 10
6 - Screw M2 x 16
7 3139 110 34080 Flex Cable 14 pin 7,5 cm
Note: Only the parts mentioned in this list are normal service spare parts.

Table of Contents

Other manuals for Philips FWM390

Related product manuals