EasyManua.ls Logo

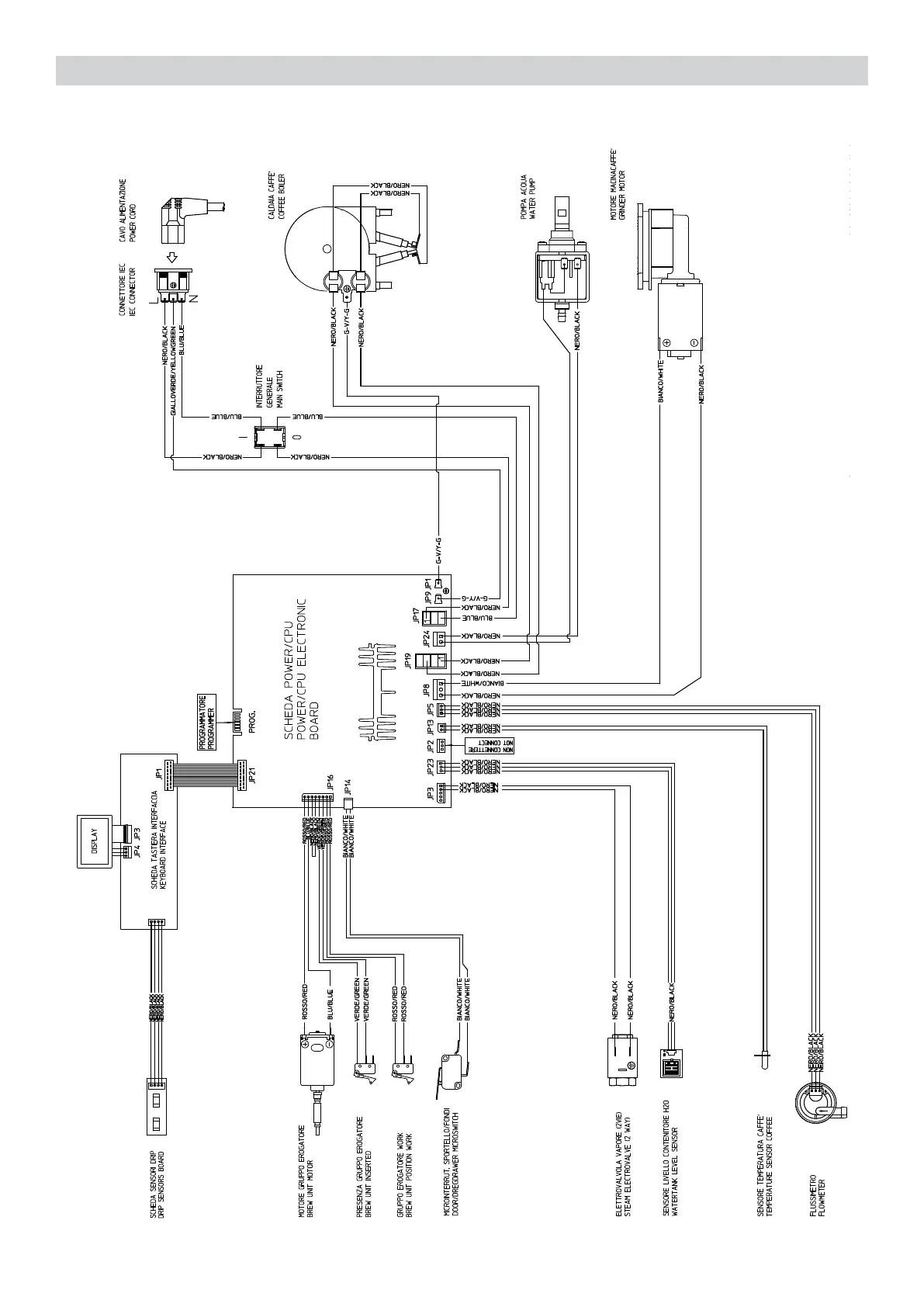
Philips HD8841/09 - 1.8. Electrical Diagram

Philips HD8841/09
48 pages
Print Icon
To Next Page IconTo Next Page
To Next Page IconTo Next Page
To Previous Page IconTo Previous Page
To Previous Page IconTo Previous Page
Loading...
PHILIPS 4000 01 INTRODUCTION
6/9
1.8. Electrical diagram

Related product manuals