8-1
MCU & CD BOARD
TABLE OF CONTENTS
IC Information .................................................................. 8-1 to 8-6
Circuit Diagram ........................................................................... 8-7
Layout Diagram-Component ...................................................... 8-8
Layout Diagram-SMD ................................................................. 8-9
Electrical parts list .................................................................... 8-10
8-1
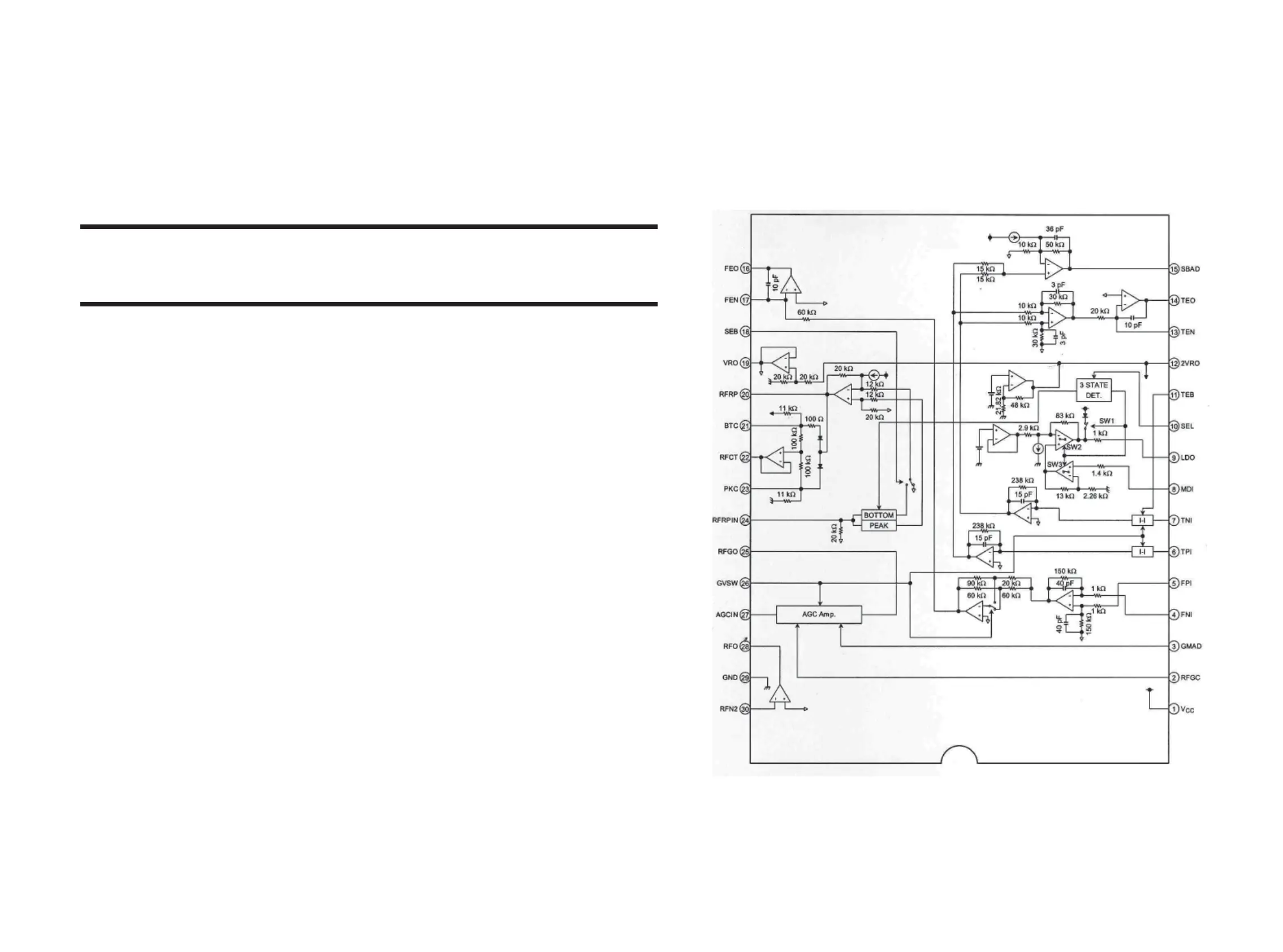
MICROPROCESSOR
TA2153FN
BLOCK DIAGRAM