EasyManua.ls Logo

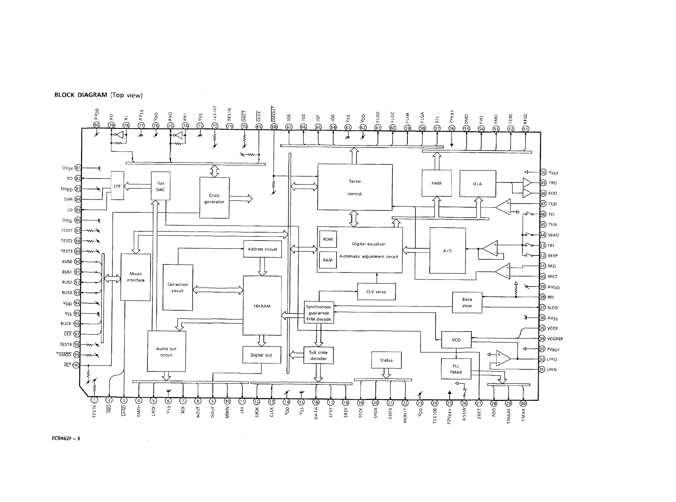
Philips MC-320 - DIGITAL SERVO PROCESSOR TC9462 F; BLOCK DIAGRAM

Philips MC-320
52 pages
Print Icon
To Next Page IconTo Next Page
To Next Page IconTo Next Page
To Previous Page IconTo Previous Page
To Previous Page IconTo Previous Page
Loading...

Table of Contents

Other manuals for Philips MC-320

Related product manuals