EasyManua.ls Logo

Philips MCM7/22 - KARAOKE BOARD - CIRCUIT DIAGRAM

Philips MCM7/22
73 pages
Print Icon
To Next Page IconTo Next Page
To Next Page IconTo Next Page
To Previous Page IconTo Previous Page
To Previous Page IconTo Previous Page
Loading...
6-13
6-13
3456789
A
B
C
D
E
A
B
C
D
E
1800 B1
1801 B9
1 23456789
12
GND_MIC
2800 B7
2801 C7
2802 B6
2803 C6
2804 B6
2805 B5
2806 A5
MIC_DET
+12V
2807 C4
2808 B4
2809 B3
2810 B3
2811 B2
2812 B2
2813 D5
2814 E4
2815 D4
2816 E3
2817 E2
2818 E7
2819 E6
3800 B5
3801 A3
TO DAC
MIC_OUT
3802 A3
3803 B9
3804 B8
3805 C7
3806 B6
3807 C6
3808 B6
3809 C6
3810 C4
3811 B4
3812 B3
MIC IN
MIC-ALC
ONLY USED FOR MCD9 VERSION
Microphone
3813 B2
3814 A2
3815 B1
3816 D5
3817 D4
3818 E4
3819 D4
3820 D3
3821 D3
3822 E3
3823 E7
3824 E7
5800 B3
6800 D3
6801 E4
7800-A B4
7800-B B7
7801 D4
7802 D2
7803 D2
2
3
4
5
+12V_A
50V22u
2805
470p
2801
6K8
3811
4
NJM4560M
7800-A
3
2
1
8
1K2
Mic
Mic
Mic
100p
2812
+12V_A
7802
2819
22n
1800
TC38-103-61
6
7
1
NJM4560M
7800-B
5
6
7
8
4
3814
12K
50V10u
2816
50V22u
2804
470p
2808
3820
5K6
3812
2809
150K
Mic
50V22u
100p
2810
1M
3822
2811
100p
7803
BC847B
2807
47p
+12V_A
3804
1K0
3801
4K76K8
3802
470R
3803
220R
3818
Mic
4K7
3824
3805
6K8
Mic
Mic
270K
3810
3816
270R
6800
BC847B
7801
2806
470n
1SS355
2K2
3813
BC847B
Mic
2813
Mic
1u0
3806
10V100u
2818
45
31
12K
3800
20K
2
2817
100n
3807
3809
6K8
+12V_A
+12V_A
1K2
50V22u
2800
50V1u0
2803
Mic
3815
1
2
3
4
1K
3819
1801
FE-ST-VK-N
Mic
+12V_A
3823
4K7
3808
1SS355
3817
1M
Mic
6801
5800
Mic
560R
3821
Mic
22u
100n
2815
100p
2802
1n
2814
Vref
Vref
Vref
Vref
Vref
8239_210_97974_01...for 3529 pt4 dd wk0409
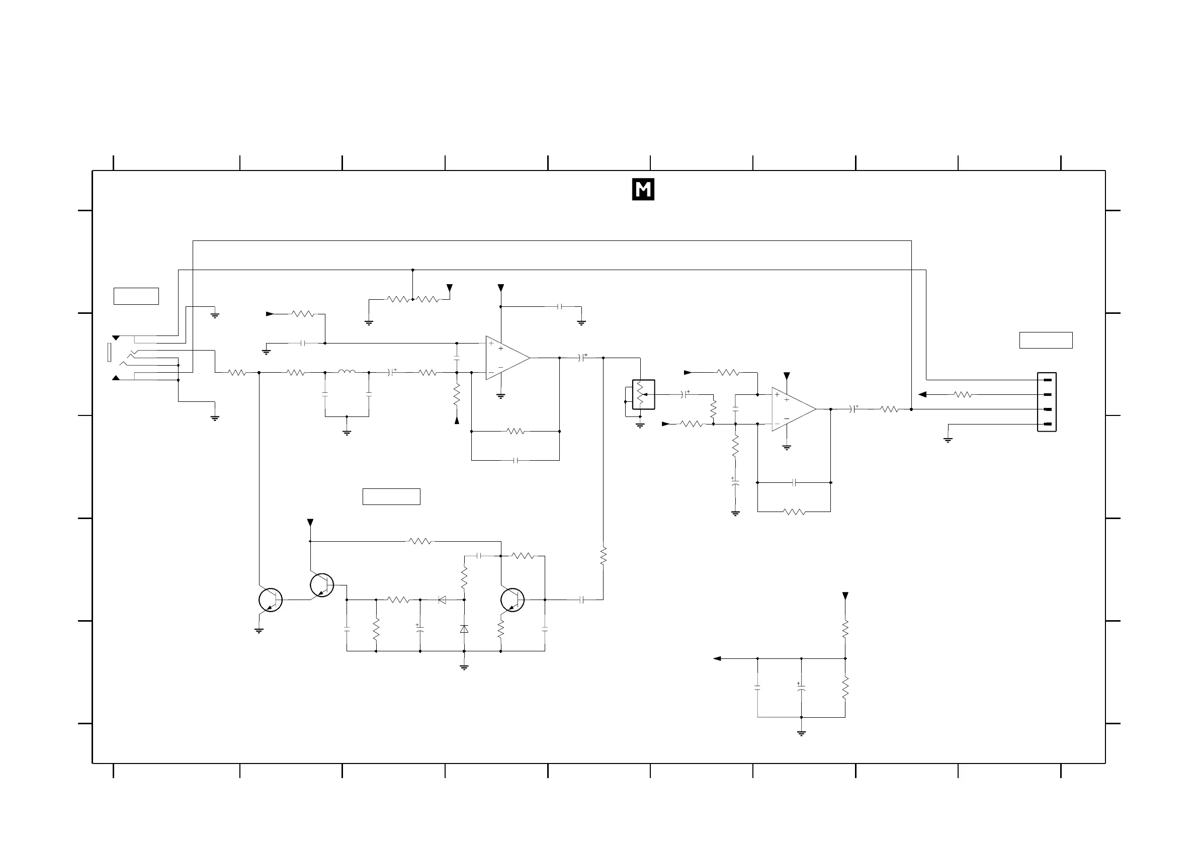
Note : Some values may varies, see respective parts list for correct value.
KARAOKE BOARD - CIRCUIT DIAGRAM (For MCD9 only)

Related product manuals