EasyManua.ls Logo

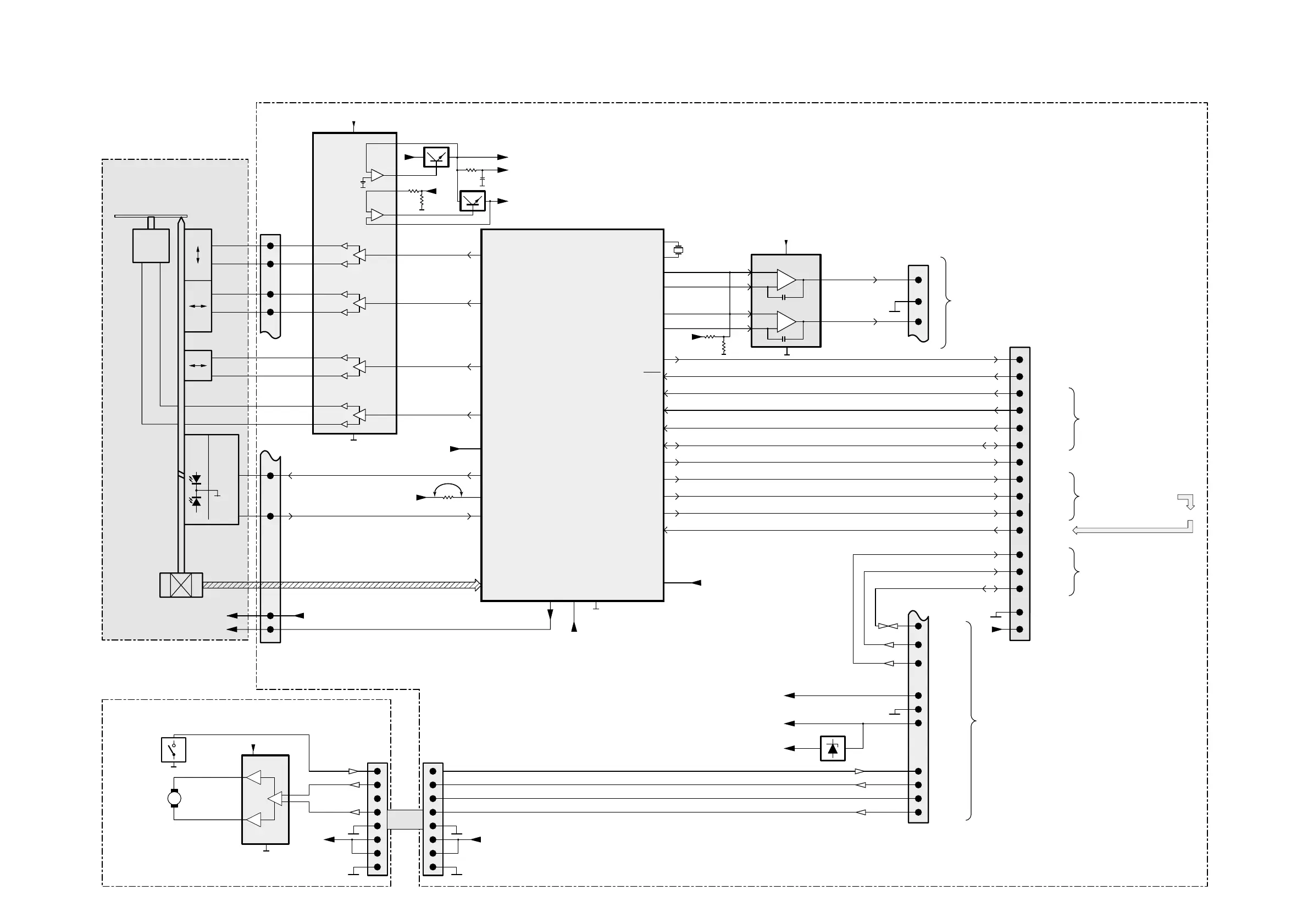
Philips MCM7/22 - BLOCK DIAGRAM; CD MAIN BOARD; TRAY MOTOR BOARD

Philips MCM7/22
73 pages
Print Icon
To Next Page IconTo Next Page
To Next Page IconTo Next Page
To Previous Page IconTo Previous Page
To Previous Page IconTo Previous Page
Loading...
10-4 10-4
1801
3
2
1
1801
12
14
4
5
11
Active low pass
Filter
7804
1
2
3
6
5
7
+5V
8
+
-
+
-
CD LEFT
CD RIGHT
23
22
25
26
DAC LN
DAC LP
RAB
Analog Audio
to Front Board
via Combi Board
ICD03 PhonIC MP3
VAM2201
7800
8.46 MHz
SIGNAL PROCESSOR
CD18
SAA7824 (SAA7825)
1811
207
TRAY
MOTOR
DIODES
PHOTO
D1
D4
D2D3
R2R1
LASER &
MONITOR
DIODE
TURNTABLE
MOTOR
DISC
CD MECHANISM
MCD2, DA12
TRAY MOTOR BOARD
M
BLOCK DIAGRAM
Universal Loader /
FOCUS
COIL
RADIAL
COIL
SLIDE
MOTOR
MOTOR
TURNTABLE
Vref
+3,3V
TRAY
SWITCH
+8V
21, 22
8,13, 28
20
5
16
14
15
6
17
18
26
27
1
2
11
12
16
15
5
7
2
3
4
1
9 - 14
25
3
10
7801MM1469
MOT1
SL
RA
FO
65
64
66
67
MOT2
68
70
+3,3V
LASER
Laser Current
80
3
9 - 14
MONITOR
MONITOR
LASER
+12V
2
3
1
5
8
6
7810
AMM7072A
+5V
+3,3V
+5V
+3,3V
+1,8V
+8V
7802
+ ANALOG
+ ANALOG
VDD1
41
+3,3V
+3,3V
1
+3,3V
3822
1
SDA
STATUS
IIS SCLK
IIS WCLK
AU IIS DATA
CD IIS DATA
VDDA1Vref
D1
D2
D3
D4
R1,R2
55
51
62
53
52
56
48
47
46
42
7
SCL
SILD
54
RAB
DOBM
RESET
CD MAIN BOARD
+5V
uP FRAME
uP CLK
uP DATA
uC RESET
TRAY IRQ
TRAY I2C SCLK
TRAY 2C SCL
TRAY OUT
SW INFO
TRAY IN
+12V
GND
+12V
1810
6
7
8
2
3
4
5
1
6
7
8
2
3
4
5
1
NC
1805
1800
6
8
7
10
9
SW INFO
TRAY OUT
TRAY IN
+
+12V +12V
Vcc
4
58
DAC RN
DAC RP
8002
18
19
OSC OUT
OSC IN
LM358
to Combi Board
Blockdiagram Universal Loader ICD03 Phonic MP3, 20040308
to MP3 CD03 Board
1803
12
10
9
8
7
5
3
4
16
18
17
2, 6, 15, 19
1
DATA
IIS SCLK
IIS WCLK
AU IIS DATA
CD IIS DATA
DSP FRAME
DSP CLK
DSP DATA
GND
+5V
STATUS
11
13
14
RAB
SICL
SILD
CD18 RESETn
SPDIF
Audio Data Interface
Signal Processor MP3 Module
MP3 Decoding
Control Interface
MP3 Module Signal Processor
Control Interface
Front µP MP3 Module
+5V

Related product manuals