EasyManua.ls Logo

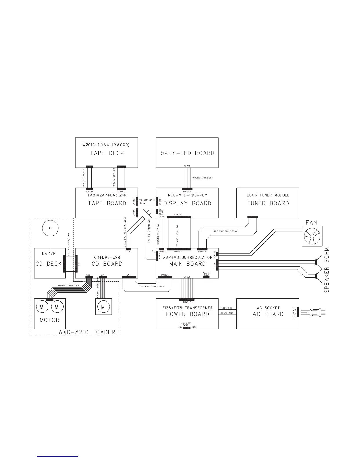
Philips MCM760 - Set Wiring Diagram

Philips MCM760
52 pages
Print Icon
To Next Page IconTo Next Page
To Next Page IconTo Next Page
To Previous Page IconTo Previous Page
To Previous Page IconTo Previous Page
Loading...
SET WIRING DIAGRAM
5-1
5-1

Table of Contents

Other manuals for Philips MCM760

Related product manuals