EasyManua.ls Logo

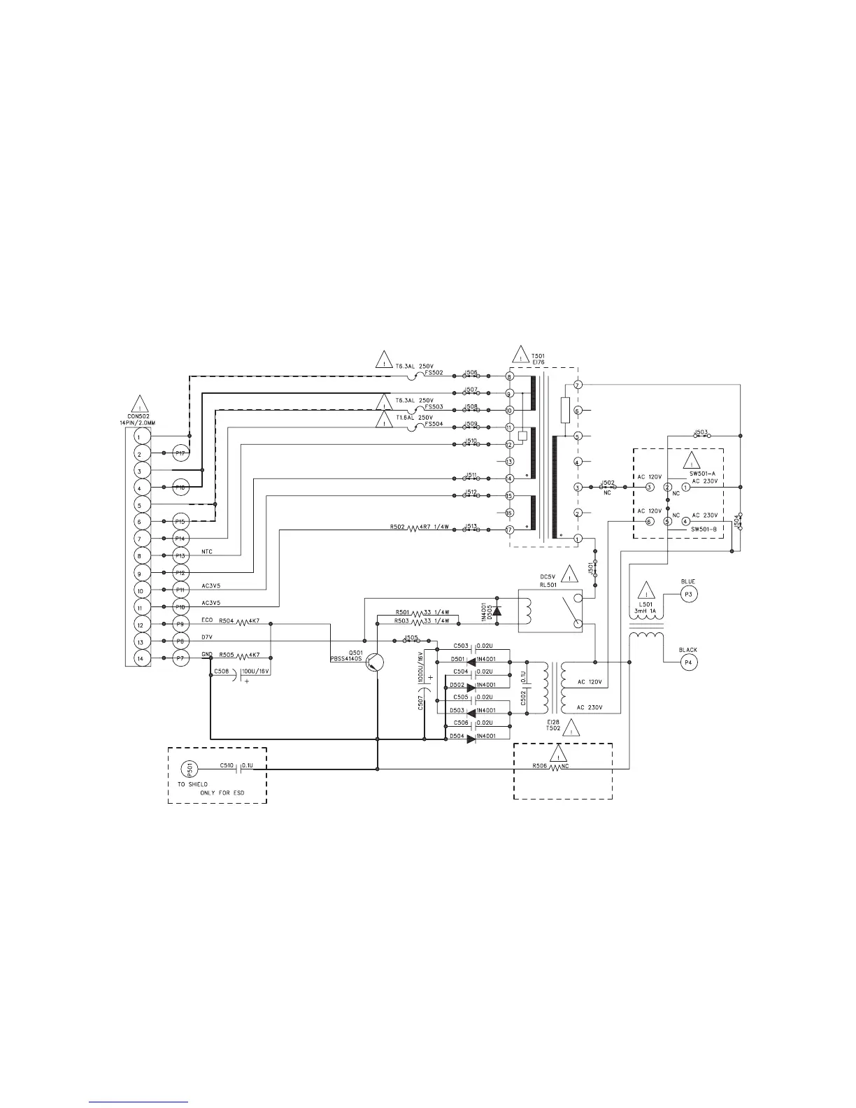
Philips MCM760 - Circuit Diagram - Power Board

Philips MCM760
52 pages
Print Icon
To Next Page IconTo Next Page
To Next Page IconTo Next Page
To Previous Page IconTo Previous Page
To Previous Page IconTo Previous Page
Loading...
8-3
8-3
CIRCUIT DIAGRAM - POWER BOARD

Table of Contents

Other manuals for Philips MCM760

Related product manuals