EasyManua.ls Logo

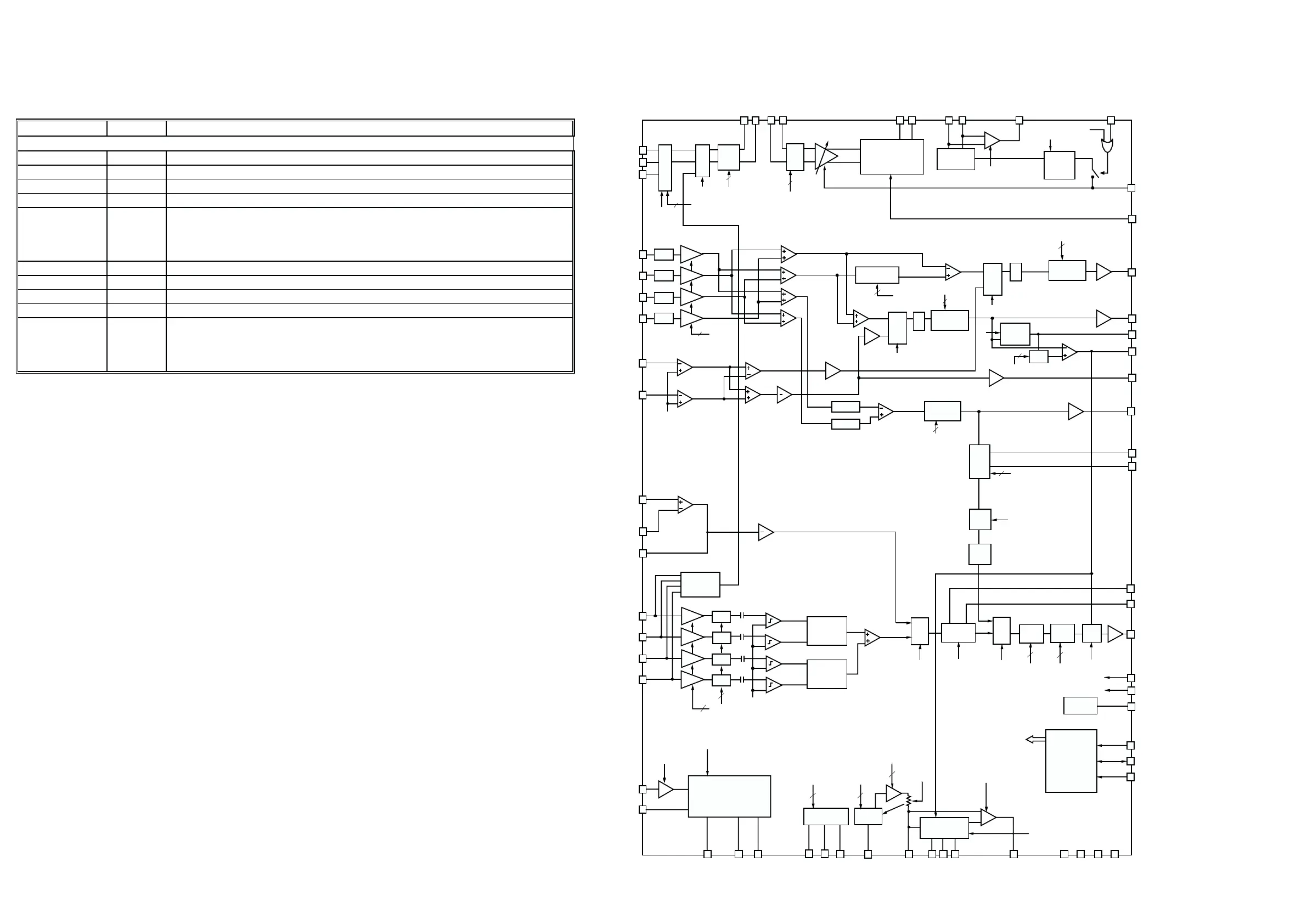
Philips MX3900D - SP32721 A Internal Block Diagram

Philips MX3900D
128 pages
Print Icon
To Next Page IconTo Next Page
To Next Page IconTo Next Page
To Previous Page IconTo Previous Page
To Previous Page IconTo Previous Page
Loading...
11-5
11-5
Pin Name Pin No. Description
Power Pins
AVDD5_DS 4 Analog Power +5V for Data Slicer part.
AVDD5_DA 14 Analog Power +5V for DAC part.
AVDD5_AD 26 Analog Power +5V for ADC part.
AVDD5_PL 168 Analog Power +5V for Data PLL part.
VDD 7,55,58,
76,115,
146,150,
162
Power + 3.3V for digital core logic and pad.
AVSS_DS 1 Analog Ground for Data Slicer part.
AVSS_DA 16 Analog Ground for DAC part.
AVSS_AD 22 Analog Ground for ADC part.
AVSS_PL 170 Analog Ground for Data PLL part.
GND 28,42,61,
88,110,
130,138,
154,165
Digital Ground for core logic and pad.
M5705 Pins Descriptions SP32721A Internal Block Diagram
DVDRFP
DVDRFN
BYP
FULL WAVE
RECTIFIER
DIN
DIP
AIN
AIP
ATOP
ATON
HOLD1
AGC
CHARGE
PUMP
PROGRAMMABLE
EQUALIZER
FILTER
DIFFERENTIATOR
FNP
FNN
RX
A
B
C
D
GCA
GCA
GCA
GCA
FROM
S-PORT
3
GCA
FROM
S-PORT
4
A + D
B + C
FE
PI
SUM
Amp.
LPF
LPF
LPF
LPF
SIGO
CDRF
MUX
TOPHOLD
TOPHOLD
PD1
PD2
MUX
LPF
TE
MUX
DVD
A2
B2
C2
D2
PHASE
DETECTOR
PHASE
DETECTOR
Comp.
GCA
GCA
GCA
GCA
2
FROM
S-PORT
3
VC
GCA
2
FROM
S-PORT
E
F
MUX
VCI
CE
CN
CP
TPH
DFT
FROM
S-PORT
TOPHLD
CDRFDC
MIN
DVDLD
CDLD
LDON
MLPF
MP
MB
FDCHG
DVDPD
CDPD
From S-port
LD H/L
Dual APC
MIRR
INPUT
BUFF
SDEN
SDATA
SCLK
SERIAL PORT
REGISTER
CONTROL
Signals
To each block
VCI
VC
VC
VCI for servo output
Focus sel
Focus sel
DVD
2
APC SEL
DVD/CD
VPA
VPB
VNA
VNB
FROM
S-PORT
INPUT IMP
SEL
2
2
IMPUT
BIAS
FROM
S-PORT
OUTPUT INHIBIT
DAC
ATT
MUX
4
SEL INT
ATT
SUM
(A2+B2+C2+D2)
LPF
CDTE
1
Buff
1
0dB@normal
8dB @high gain mode
Offset
cansel
FROM
S-PORT
4
Offset
cansel
FROM
S-PORT
4
LPF
Buff
COMP
DPD
Defect ON
DPD
RST
12dB is added
@high gain mode
12dB is added
@high gain mode
3.5dB@ normal
15.5dB @high gain
mode
+14dB @high gain mode
BCA
DET
BOTTOM
ENVELOPE
MIRR
COMP
SUB
AMP
CEFDB
LPF
LCP
LCN
&ATT
FROM
S-PORT
3
POLSEL
CEPOL
Buff
0dB@normal
12dB@high gain
mode
VCI2
VCI2 for servo input
MEI
MEV
MEVO
PEAK/
BOTTOM
HOLD
Offset
cansel
FROM
S-PORT
5
Offset
cansel
FROM
S-PORT
5
+6dB Amp
+6dB Amp
+6dB Amp
+6dB Amp
2
Sink current
From S-port
2
Input Imp
From S-port
2
Mirr gain
From S-port
Disk det &
Mirr LPF
From S-port
Comp
hys & offset
From S-port
Interna l
FDCHG
CP/CN
Low Imp
AGC HOLD
FAST Attackoff
FROM
S-PORT
INP UT IM P
SEL
BUFF
-12dB
0 to -14dB
AGC
EQ
EQ
EQ
EQ
1
2
63
14
13
12
11
3
4
16
15
17
5
6
7
8
21
23
2050
28
58
29
32
3130
33
35
3439
40
24
25
22
48
47
46
26
27
18
41
10
9
44
45
43
36
38
37
64
42
55
56
62
61
60
59
52
51
54 53
57
49

Other manuals for Philips MX3900D

Related product manuals