EasyManua.ls Logo

Philips VR630 - Deck Mechanism View 3

Philips VR630
64 pages
Print Icon
To Next Page IconTo Next Page
To Next Page IconTo Next Page
To Previous Page IconTo Previous Page
To Previous Page IconTo Previous Page
Loading...
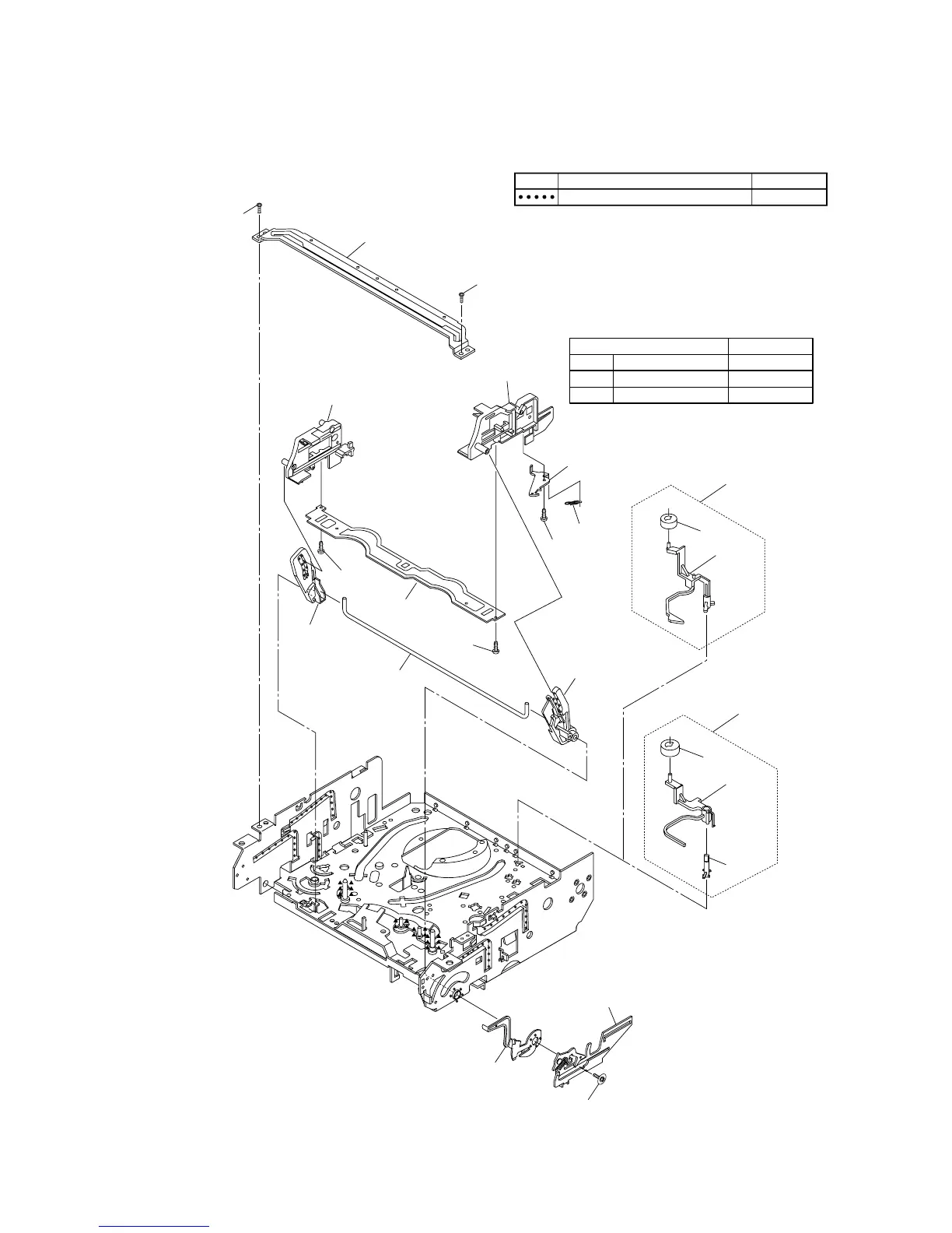
2-5-3 HC265DEX
[ ALL MODEL ]
Deck Mechanism View 3
Some Ref. Numbers are not in sequence.
Mark Description
Part No.
Floil G-374G
0VZZ00109(Blue grease)
B303
B514
B555
B563
B300
B562
B482
B355
B354
B483
B425
L1461
L1341
L1341
L1321
B347
L1321
B359
B529
B360
B361
B359
B529
B360
Type B
Type A
Note: There are two different, but interchangeable
types of CLEANER LEVER(B359) in this model,
and have different combination with B361. Please
see Table 1 for details and combination. (Refer to
DECK PARTS LIST section.)
B361B359 CLEANER LEVER
Type ID No. ID No.
A 0VM411114
Not used
0VM304413
0VM305090
B
Table 1 (B359 and B361 Combination)

Other manuals for Philips VR630

Related product manuals