EasyManua.ls Logo

Philips VR730/07 - Jack Schematic Diagram

Philips VR730/07
46 pages
Print Icon
To Next Page IconTo Next Page
To Next Page IconTo Next Page
To Previous Page IconTo Previous Page
To Previous Page IconTo Previous Page
Loading...
1-10-73
1-10-74
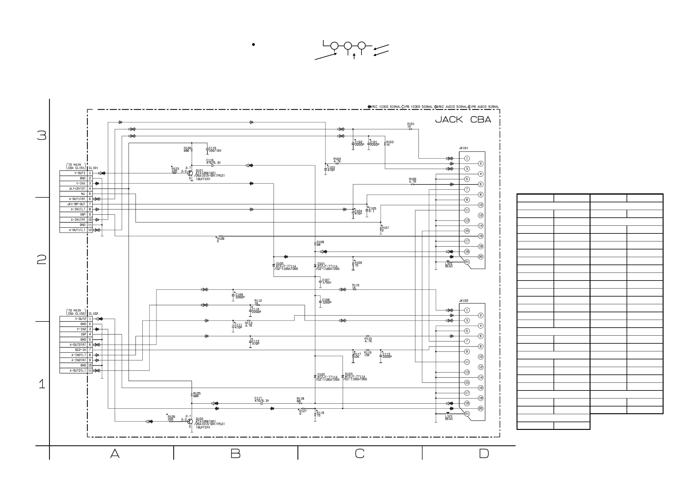
Jack Schematic Diagram
HC470SCJ
THE SAME VOLTAGE FOR
BOTH PLAY & REC MODES.
INDICATES THAT THE VOLTAGE
IS NOT CONSISTENT HERE.
MODE: SP/REC
PLAY MODE
REC MODE
1
2
3
5.0
5.0
(2.5)
~
ā€œ ā€œ = SMD
Jack Schematic Diagram Parts Location Guide
Ref No. Position Ref No. Position
C101 C-3 Q102 B-1
C102 C-3
C103 C-3 R101 C-3
C104 C-2 R103 C-3
C105 C-2 R104 C-3
C107 C-2 R106 C-3
C108 C-2 R107 C-2
C109 B-2 R108 C-2
C110 B-2 R109 C-2
C111 B-1 R110 C-2
C112 B-1 R112 B-2
C113 C-1 R113 B-1
C115 B-3 R115 C-1
C116 B-3 R116 C-1
C117 B-1 R117 C-1
R118 C-1
CL101 A-3 R119 C-1
CL102 A-2 R120 B-3
R123 B-3
D101 C-2 R125 B-1
D102 C-1 R126 A-1
D103 C-1 R127 C-1
D105 B-2 R128 B-2
L101 D-2 JK101 D-3
L121 D-1 JK102 D-2
Q101 B-3
CONNECTORS
TRANSISTORSCAPACITORS
DIODES
TRANSISTORS
RESISTORS
MISCELLANEOUSCOILS

Related product manuals