EasyManua.ls Logo

Phonic ICON 700 - Page 12

Phonic ICON 700
14 pages
Print Icon
To Next Page IconTo Next Page
To Next Page IconTo Next Page
To Previous Page IconTo Previous Page
To Previous Page IconTo Previous Page
Loading...
12 ICON 300/700
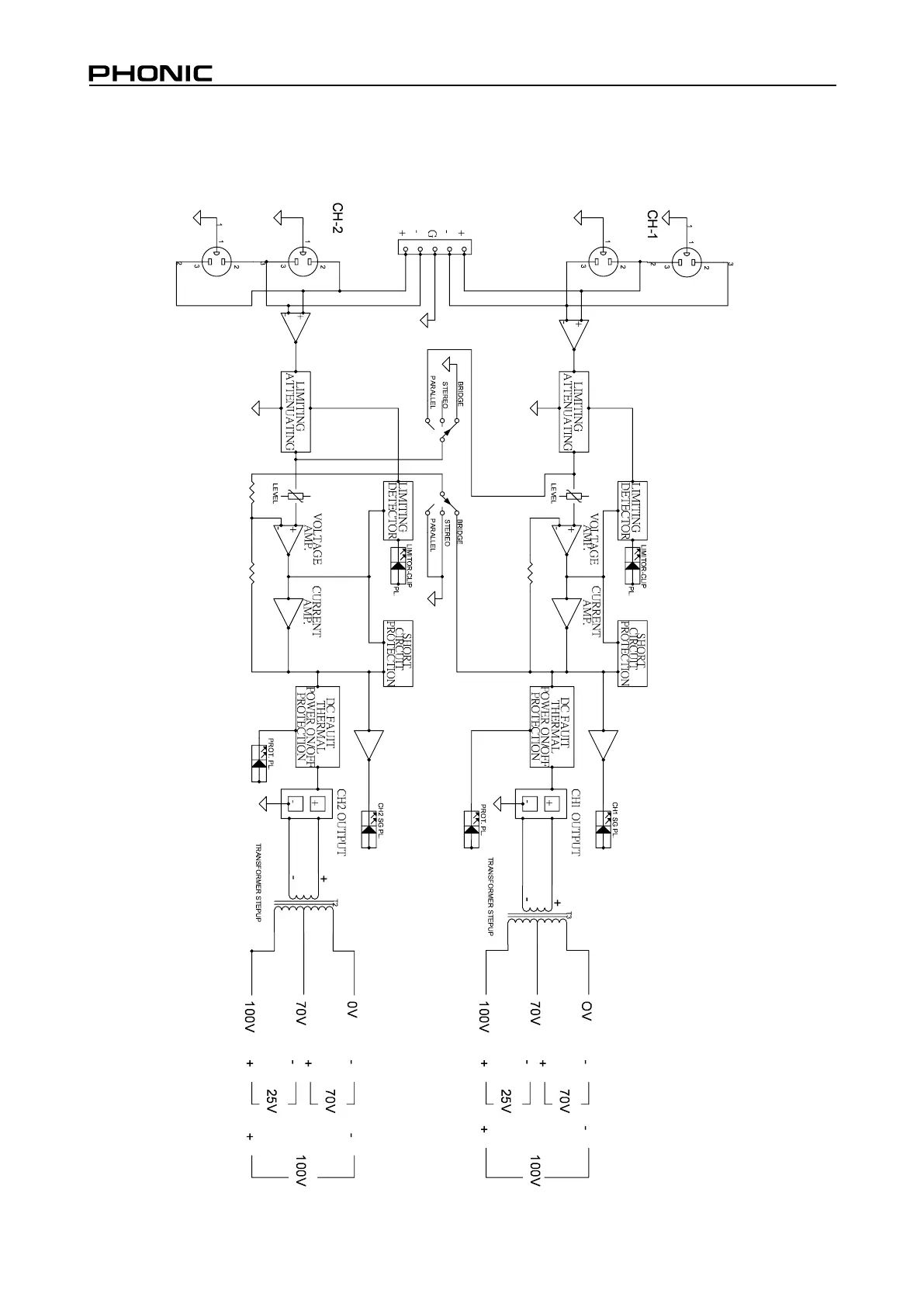
ICON 700 BLOCK DIAGRAM

Related product manuals