EasyManua.ls Logo

Phonic MAX 860 plus - Page 8

Phonic MAX 860 plus
12 pages
Print Icon
To Next Page IconTo Next Page
To Next Page IconTo Next Page
To Previous Page IconTo Previous Page
To Previous Page IconTo Previous Page
Loading...
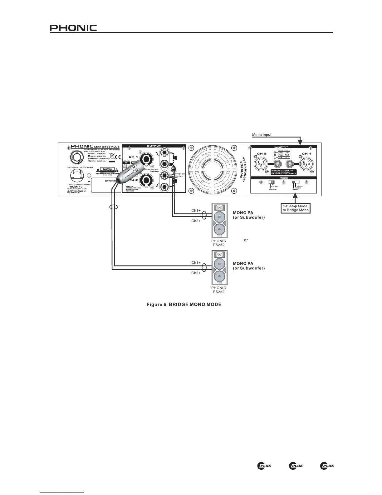
8 MAX 860 1500 2500
BRIDGE MONO
This mode is for those who need high level output. It combines the power of both channels to produce the maximum amount
of power the unit can handle. Make sure your speaker can handle higher wattage this mode offers. Remember, the minimum
impedance requirement is 4 ohm. When bridge mono, make sure only Channel 1 input is in use. When using speakon,
treat PIN 1+ as the
+
and PIN 2+ as the
-
; when using binding posts, treat Channel 1 + as the
+
and Channel 2 + as
the
-
. Do not use Channel 2
s speakon output in this mode. When bridge mono, the gain control of Channel 1 controls
the total level output (See Figure 6).
WARNING: Bridge mono operation produces higher current output than the other two operations, thus make
sure the gain is set at the proper level and speakers being used can handle the wattage amplier produce.
Proper attention to wiring is greatly needed to prevent experiencing electric shock.

Related product manuals