EasyManua.ls Logo

Pioneer XC-LA21 - Page 9

Pioneer XC-LA21
57 pages
Print Icon
To Next Page IconTo Next Page
To Next Page IconTo Next Page
To Previous Page IconTo Previous Page
To Previous Page IconTo Previous Page
Loading...
XC-LA21
9
A
B
C
D
5
678
5
6
7
8
31
7
9
12
13
10
7
9
12
13
10
CN206
(16P)
CN202
(16P)
J201
(13P)
CN203
(13P)
D
AUX ASSY
C
AUDIO ASSY
E
RECT ASSY
F
TRANS ASSY
FM-IN
TUNER-L
TUNER-L
L-CD
R-CD
TUNER-R
TUNER-R
AM-RF
IC901
BA4558N
BUFFER
IC201
BU4052BC
SELECTOR
IC302
5V REG.
TF302
POWER
TRANSFORMER
TF303
POWER
TRANSFORMER
D301-D304
IC303
F306
AC IN
500mA/250V
IC305
IC307
IC202
BH3854AFS
IC101
LA1837NZ
1
27
17
16
11
13
11
13
CN13
(3P)
CN208
(3P)
1
3
1
3
9V
9V
1
CN11
(14P)
CN301
(14P)
+TUNER9V
+TUNER9V
LIVE
NEUTRAL
+M9V
9V
+CD9V
+MCU9V
AC3.8V AC3.8V
AC3.8V
AC24V
MCUAC
AC3.8V
-24V
5V
5V
2
3
4
8
9
10
11
1
2
3
4
8
9
10
11
L
R
AUXOUT
L
R
AUXIN
5 7
3 1
31 24
L
R
To M-LA21
14
15 13
5
32
2 9
3 1
1
2
7
8
9
10
1
2
7
8
9
10
4
11
IC301
9V REG.
CN302
(12P)
SN302
(12P)
3
3
9V
IC304
6 6
9V
4 2
CN204
(3P)
Q908
Q909
CN208
(3P)
31
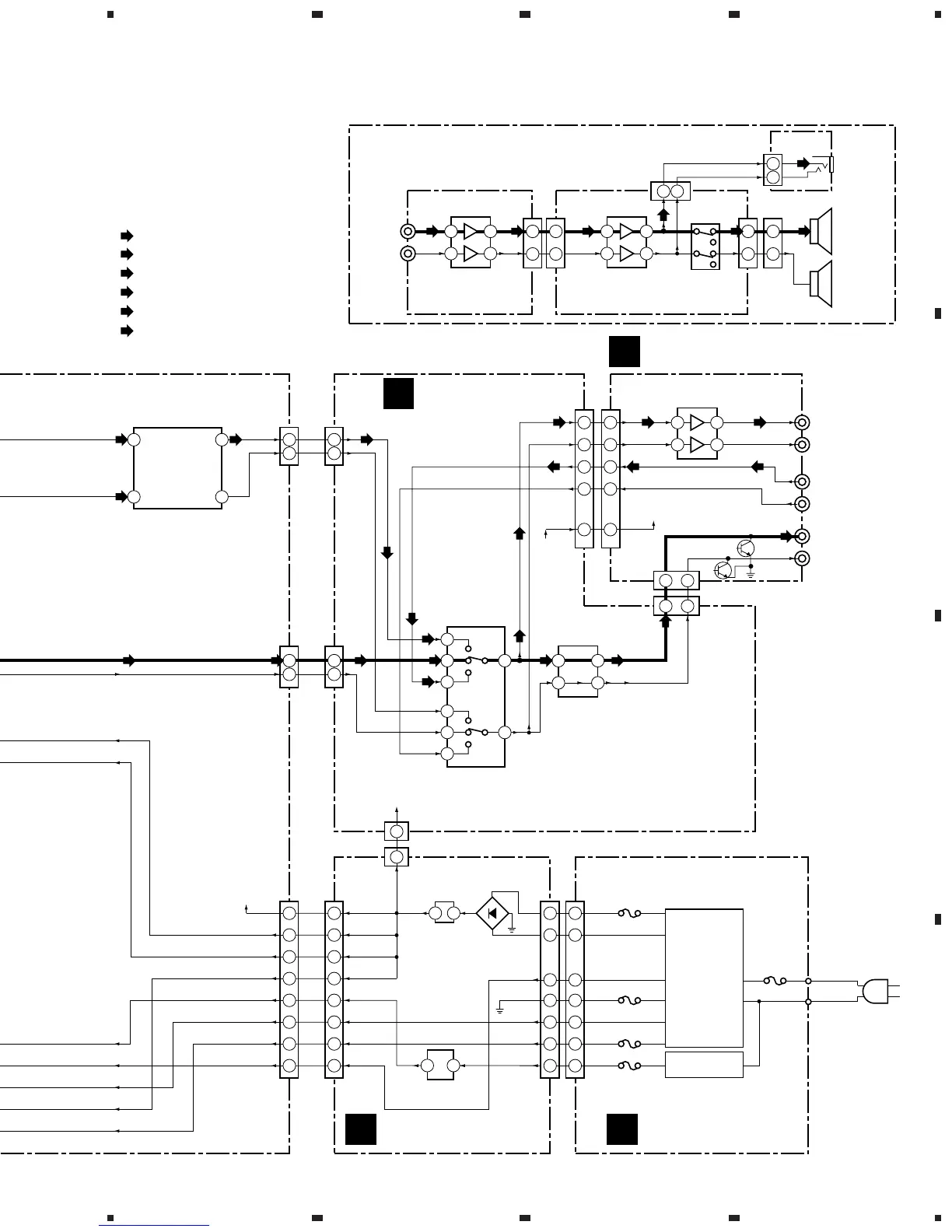
: AUDIO SIGNAL ROUTE (TUNER)
: AUDIO SIGNAL ROUTE (RF/CD)
(T)
: AUDIO SIGNAL ROUTE (AM)
(AM)
: AUDIO SIGNAL ROUTE (FM)
(FM)
: AUDIO SIGNAL ROUTE (AUX)
(AU)
(AU)
(AU)
(AU)(AU)
(AU)
(T)
(AU)(AU)
(AU)
(AU)
(AU)
: AUDIO SIGNAL ROUTE (PHONES)
(PH)
(T)
(T)(T)
(FM)
(AM)
WH602
(4P)
IC601
STK411-230
POWER AMPLIFIER
RL601
PLY-DPDT
L
R
SPEAKER
OUT
18 14
22 15
1
(PH)
CN22
(8P)
SN602
(8P)
IC504
BA4558N
5 7
3 1
7
5
7
5
CN604
(7P)
CN20
(6P)
PHONES
JK503
42
L-CH
R-CH
(PH)
L
R
From
XC-LA21
3
5
M-LA21
4
LK501
(4P)
1
4