EasyManua.ls Logo

Pioneer XC-LA21 - Diagrams and Schematics; Block Diagram Overview

Pioneer XC-LA21
57 pages
Print Icon
To Next Page IconTo Next Page
To Next Page IconTo Next Page
To Previous Page IconTo Previous Page
To Previous Page IconTo Previous Page
Loading...
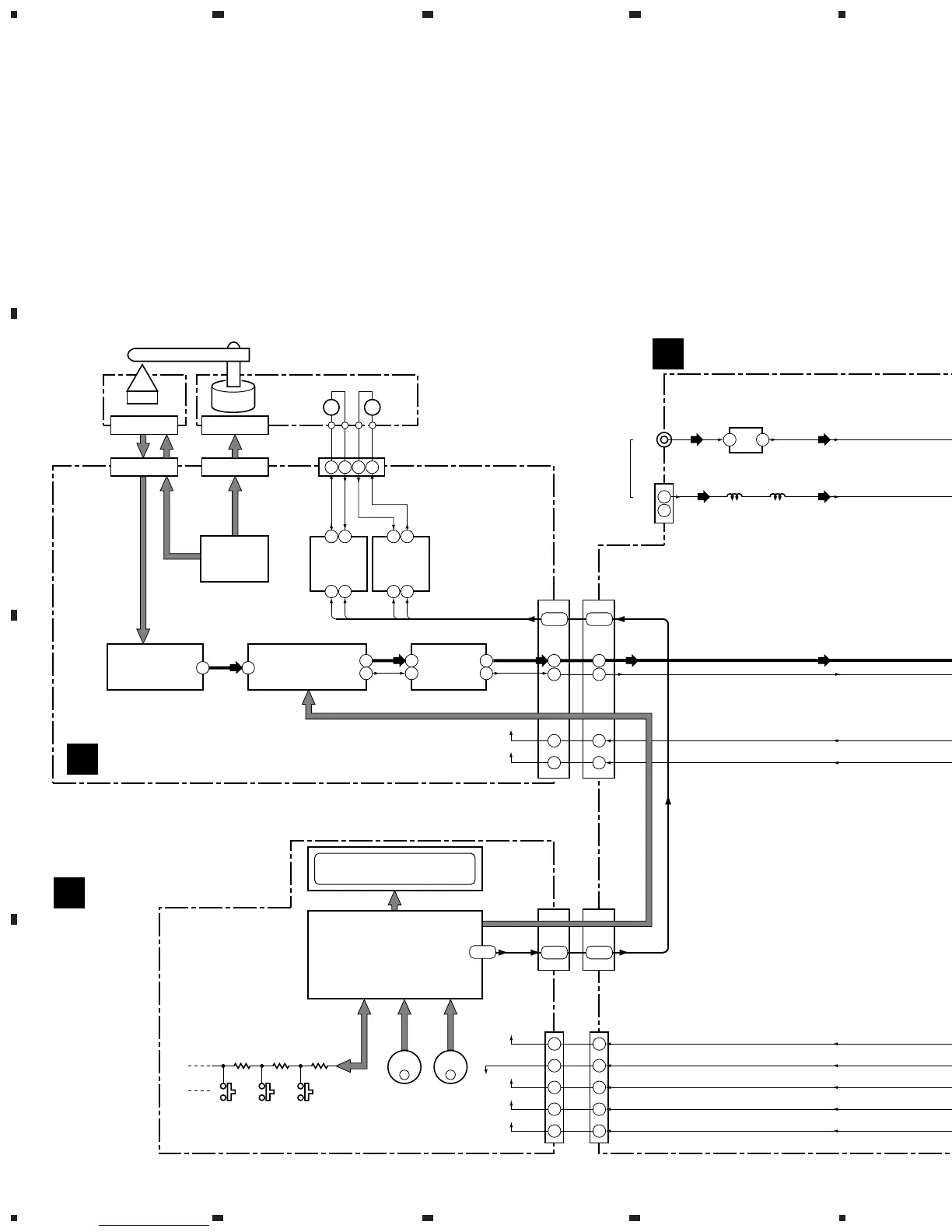
XC-LA21
8
A
B
C
D
1
23
4
1234
10 10
27
28
29
30
CN3
(16P)
CN4
(6P)
CN101
CN102
CN6
(30P)
CN8
(30P)
CN401
(24P)
CN205
(24P)
CN404
(17P)
CN207
(17P)
CN5
CONTROL DATA
CN402
Spindle
Motor
PICKUP
ASSY
CD MECHA.
(16P)
B
CD ASSY
G
DISPLAY/CTL ASSY
A
STD. TUNER ASSY
4
Carriage
Motor
Drawer
Motor
AM
FM
ANTENNA
+
-
+
-
321
1
2
CARR+
FIN
RFO RFI
CD-L
+9V
CD-R
CARR-
DRAW-
DRAW+
IC2
TA2065F
RF AMP.
IC1
TC9284BF
DECODER
IC401
PDA068A
SYSTEM CONTROL IC
LCD401
FL TUBE
IC4
BA4558N
IC6
TA7291S
DRIVER
IC3
TA2092N
DRIVER
1
LO
6
RO
2
53
2
7 3
IC7
TA7291S
DRIVER
7 3
FE101
T101 T103
1 8
9 1 9 1
27
28
29
30
73-76
VOL
JOG
KEY INPUT
M M
6
1
7
RIN
FIN
RIN
5V
12 12
-24V
14 14
3V8
15 15
P8V
17 17
3V8
+9V
8-10 8-10
12-1512-15
FUNCTION
JOG
(FM)
(AM)
(FM)
(AM)
3. BLOCK DIAGRAM AND SCHEMATIC DIAGRAM
3.1 BLOCK DIAGRAM