EasyManua.ls Logo

Piper SENECA II - Page 332

Piper SENECA II
869 pages
Print Icon
To Next Page IconTo Next Page
To Next Page IconTo Next Page
To Previous Page IconTo Previous Page
To Previous Page IconTo Previous Page
Loading...
PIPER SENECA II SERVICE MANUAL
VI - HYDRAULIC SYSTEM 01/01/09
1I6
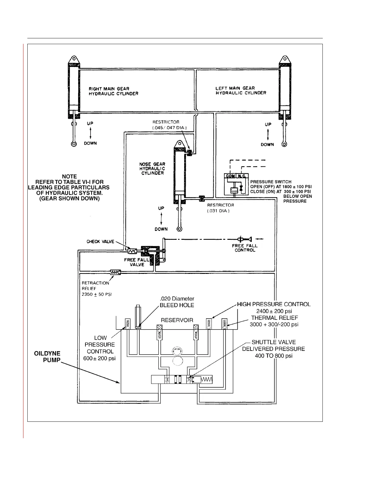
Figure 6-1. Schematic Diagram of Hydraulic System (Sheet 2 of 2)
NOTE
RIGHT
MAIN GEAR
HYDRAULIC
CYLINDER
UP
l
DOWN
REFER TO TABLE VI-I FOR
LEADING EDGE PARTICULARS
OF HYDRAULIC SYSTEM.
(GEAR SHOWN DOWN)
CHECK
VALVE
/
RETRACTION
RELIEF
23
50
± 50
PS
I
R
ES
TRI
CTOR
NOSE
GEAR
HYDRAULIC
CYLINDER
UP
t
DOWN
.020 Diameter
BLEED HOLE
LEFT MAIN
GEAR
HYDRAULIC
CYLINDER
UP
t
DOWN 0
r-----
1
r--
-
RESTRI
C
TOR
(.0
31
DI
A )
ct>-1
-
FREE
FALL
CONTROL
/HIGH
PRESSURE CONTROL
/ 2400 ± 200 psi
:;¥' _ THERMAL RELIEF
LOW
PRESSURE
CONTROL
600±
200 psi
I i 3000 + 300/-200 psi
~=j=!-----------fi----------------M-...J.\-/L------L..,......l
11
OILDYNE
PUMP
SHUTTLE VALVE
DELIVERED PRESSURE
400 TO 800 psi

Table of Contents