EasyManua.ls Logo

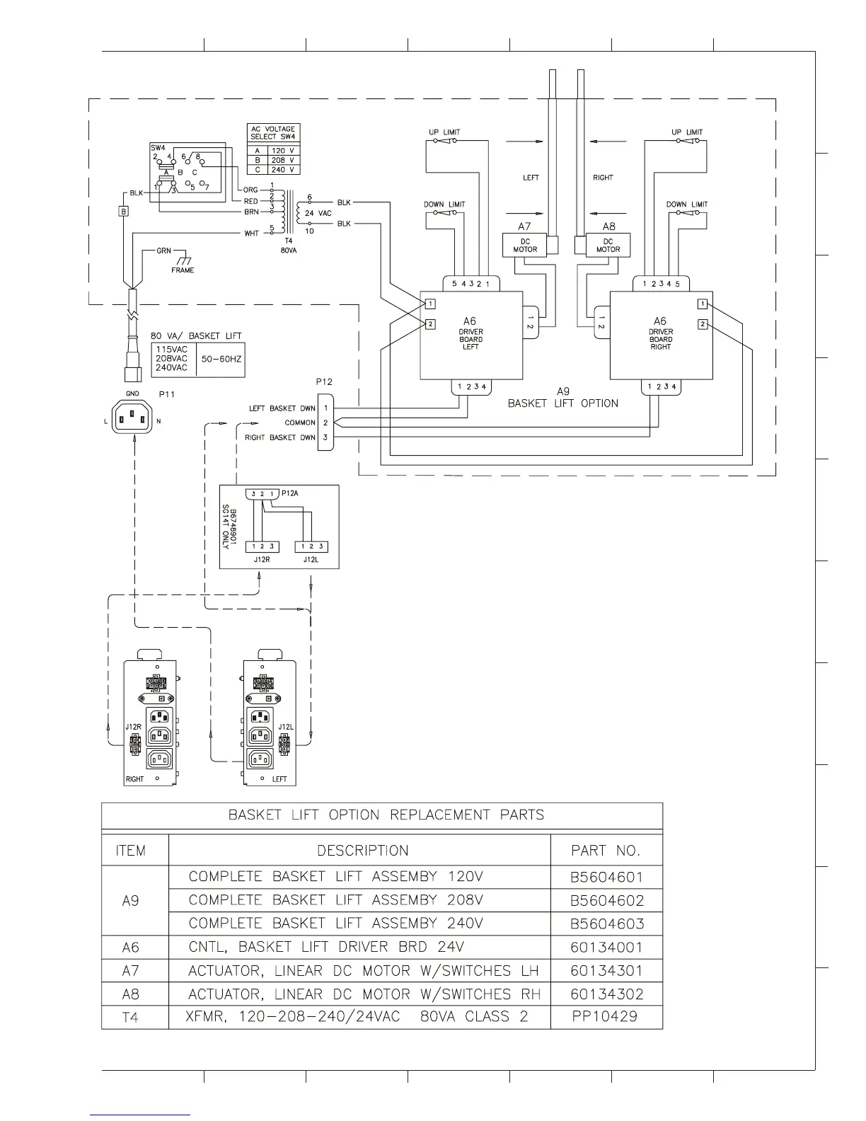
Pitco SGH50 Full - BASKET LIFT OPTION REPLACEMENT PARTS; Basket Lift System Parts

Pitco SGH50 Full
32 pages
Print Icon
To Next Page IconTo Next Page
To Next Page IconTo Next Page
To Previous Page IconTo Previous Page
To Previous Page IconTo Previous Page
Loading...
1
2
3
4
6
7
5
1
2
3
4
6
7
5
ABC
DE
FGH
I
J
19
L22-235 Rev 1 (10/12)
SCHEMATIC 700324, SHEET 6

Related product manuals