EasyManua.ls Logo

point Vitap - Page 73

point Vitap
89 pages
Print Icon
To Next Page IconTo Next Page
To Next Page IconTo Next Page
To Previous Page IconTo Previous Page
To Previous Page IconTo Previous Page
Loading...
TITOLO:
DATA:
PROGETTO:
FOGLIO
30/09/2009
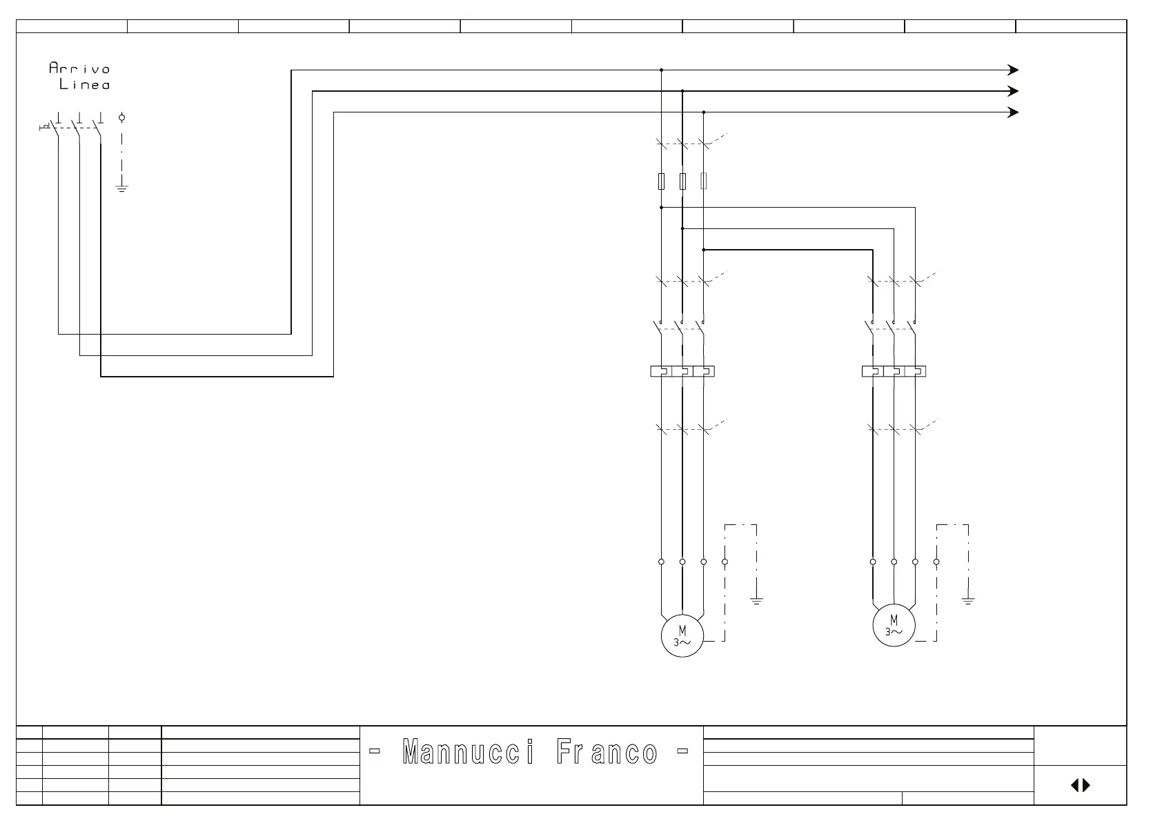
58201802 "Foratrice"
POTENZA
02
CLIENTE:
Quadri elettrici per automazione
DATA FIRMAREV. MODIFICA
DI
17
DIS.: Mannucci F.
01 03
COMMESSA:
0 1 2 3 4 5 6 7 8 9
U1
2-L3
2-L1
8-L2
2-L2
2-L1
8-L3
2-L3
V1
2-L12-L1
2-L2
W2
W1
2-L3
2-L2
2-L2
2-L3
U2
8-L1
V2
mmq
mmq
mmq
mmq
mmq
12
34
56
-QS1
X0-PE
Motore testa forare
3,5A.
U
V
W
-M1
1,5 N
-FA1
05.8
09.7 \{}\
12
34
56
-KM1
05.8
1,5
16A
-FU4
2,5
X1-U1
X1-V1
X1-W1
Motore lama
2,6 A.
U
V
W
-M2
1,5 N
-FA2
05.9
09.8 \{}\
12
34
56
-KM2
05.9
1,5
X1-U2
X1-V2
X1-W2
03.0
03.0
03.0