EasyManua.ls Logo

point Vitap - Page 75

point Vitap
89 pages
Print Icon
To Next Page IconTo Next Page
To Next Page IconTo Next Page
To Previous Page IconTo Previous Page
To Previous Page IconTo Previous Page
Loading...
TITOLO:
DATA:
PROGETTO:
FOGLIO
30/09/2009
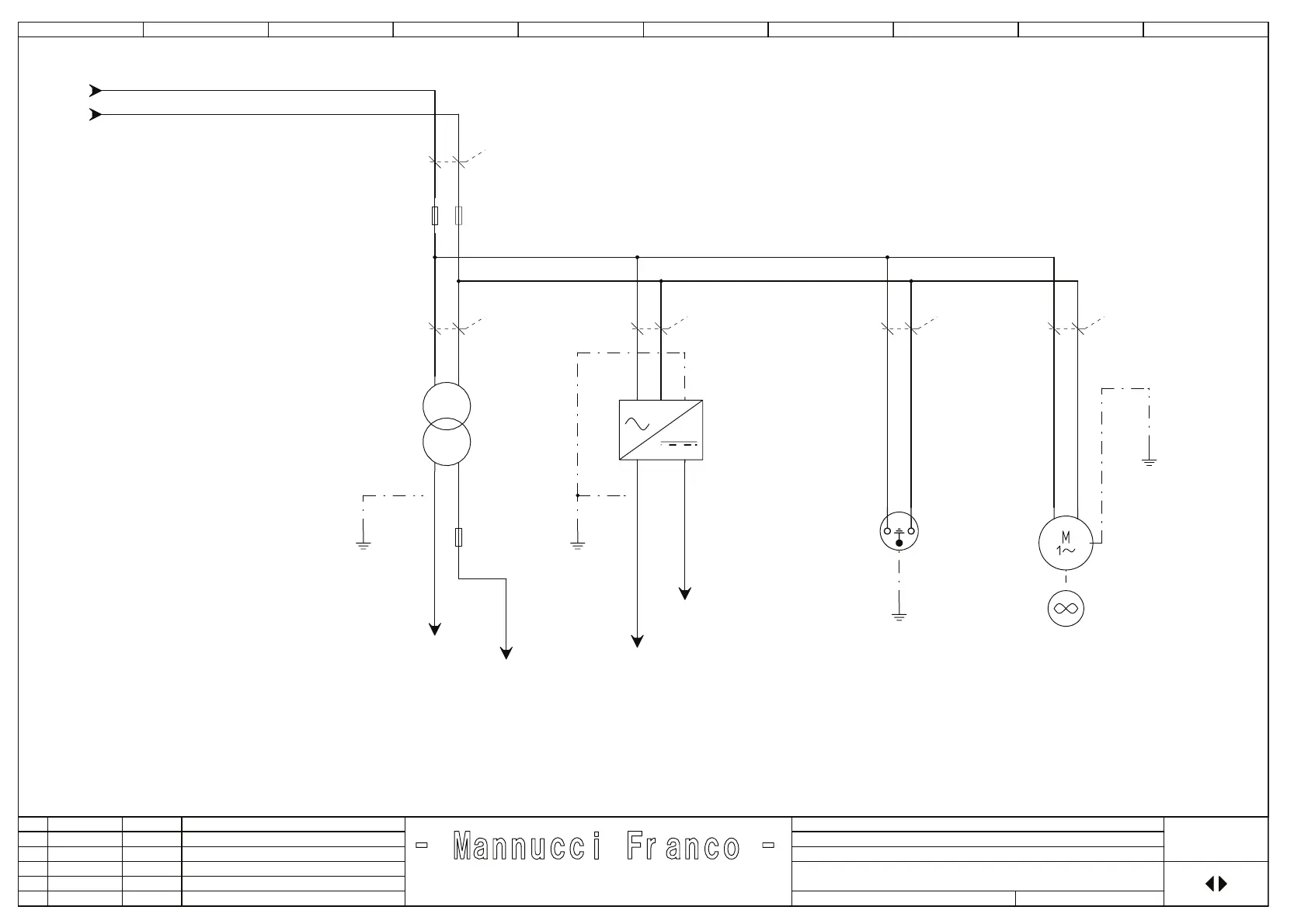
58201802 "Foratrice"
ALIMENTAZIONI
04
CLIENTE:
Quadri elettrici per automazione
DATA FIRMAREV. MODIFICA
DI
17
DIS.: Mannucci F.
03 05
COMMESSA:
0 1 2 3 4 5 6 7 8 9
4-L1
4-L2
0VAC
24VAC
24VDC
10-L1
10-L2
0VDC
10-L1
10-L2
10-L1
PE
24V
mmq
mmq
N
+ -
L1 PE
mmq mmq mmq
03.1
03.1
50-60
100VA
0-230-400-415V
24V
1
2
3
4
-TC1
1,5
4A
-FU10
1,5
05.0
4A
-FU11
05.0
06.2
-GS1
1,5
03.5
03.2
05.0
08.6
03.8
03.3
03.5
06.1
03.8
PH
N
-XT2
1,5
Ventola armadio
L1
N
-M8
1,5