EasyManua.ls Logo

point Vitap - Page 77

point Vitap
89 pages
Print Icon
To Next Page IconTo Next Page
To Next Page IconTo Next Page
To Previous Page IconTo Previous Page
To Previous Page IconTo Previous Page
Loading...
TITOLO:
DATA:
PROGETTO:
FOGLIO
30/09/2009
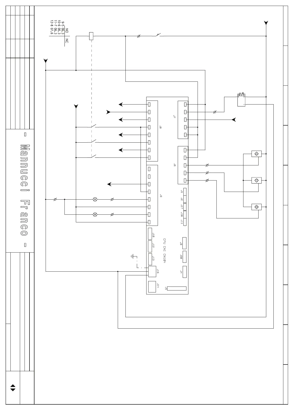
58201802 "Foratrice"
CNI CPU
06
CLIENTE:
Quadri elettrici per automazione
DATA FIRMAREV. MODIFICA
DI
17
DIS.: Mannucci F.
07
COMMESSA:
0 1 2 3 4 5 6 7 8 9
0VDC
I-03
O-07
24VDC
O-08
O-06
24VDC
0VDC
24VDC1
I-01
I-02
O-02
O-03
O-04
O-2
O-3
O-4
24VDC1
0VDC
24VDC
24VDC
O-01
24VAC
200
I-08
0VDC
200
A1A2
-KA1
X2-200
-SQ17
04.5
+IMPIANTO
-SQ20
IC
R3
C3
R4
C4
R5
C5
R6
C6
R7
C7
I8
R8
C8
IC
I4
I3
I2
I1
+24V
GND
PE
I7
+24V
PE
GND
I6
I5
R1
C1
R2
C2
-D1
5
05.6
X2-I-08
04.3
03.3 05.6
95
06.0
03.5
106
06.0
03.8
-SQ5
117
06.0
X2-I-03
X2-I-02
-SQ6
X2-I-01
03.2
X1X2
-SB3
08.6
X1-109 X1-116
-SQ7
X1X2
-SB4
X1-117