EasyManua.ls Logo

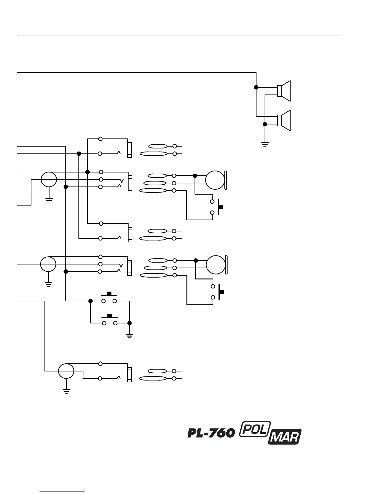
POLMAR PL-760 - System Connection Schematic

POLMAR PL-760
Print Icon
To Next Page IconTo Next Page
To Next Page IconTo Next Page
To Previous Page IconTo Previous Page
To Previous Page IconTo Previous Page
Loading...
/WUKECWFKQRNWI
/WUKECWFKQRNWI/WUKECWFKQRNWI
/WUKECWFKQRNWI/WUKECWFKQLCEM
/WUKECWFKQLCEM/WUKECWFKQLCEM
/WUKECWFKQLCEM
/KERNWI
/KERNWI/KERNWI
/KERNWI
/KERNWI
/KERNWI/KERNWI
/KERNWI
/KELCEM
/KELCEM/KELCEM
/KELCEM
*GCFRJQPGLCEM
*GCFRJQPGLCEM*GCFRJQPGLCEM
*GCFRJQPGLCEM
*GCFRJQPGLCEM
*GCFRJQPGLCEM*GCFRJQPGLCEM
*GCFRJQPGLCEM
+PVGTEQO1PJQVOKE
+PVGTEQO1PJQVOKE+PVGTEQO1PJQVOKE
+PVGTEQO1PJQVOKE
5VKEMOQWPV266KPVGTEQO
5VKEMOQWPV266KPVGTEQO5VKEMOQWPV266KPVGTEQO
5VKEMOQWPV266KPVGTEQO
,HGOCNG
,HGOCNG,HGOCNG
,HGOCNG
VJKURNWIUKPVQTCFKQ
VJKURNWIUKPVQTCFKQVJKURNWIUKPVQTCFKQ
VJKURNWIUKPVQTCFKQ
(75'QT%KTEWKVDTGCMGT
(75'QT%KTEWKVDTGCMGT(75'QT%KTEWKVDTGCMGT
(75'QT%KTEWKVDTGCMGT
COR
CORCOR
COR
(+.'5#+4%4#(62.'%5%*
(+.'5#+4%4#(62.'%5%*(+.'5#+4%4#(62.'%5%*
(+.'5#+4%4#(62.'%5%*
8KC/CP\QPK
8KC/CP\QPK8KC/CP\QPK
8KC/CP\QPK
/KTCPQ+VCN[
/KTCPQ+VCN[/KTCPQ+VCN[
/KTCPQ+VCN[
RQNOCTUTN"CNKEGKV
RQNOCTUTN"CNKEGKVRQNOCTUTN"CNKEGKV
RQNOCTUTN"CNKEGKV
YYYRQNOCTDK\
YYYRQNOCTDK\YYYRQNOCTDK\
YYYRQNOCTDK\


















,WP

&4#90$;
&4#90$;&4#90$;
&4#90$;
%WUVQOGT
%WUVQOGT%WUVQOGT
%WUVQOGT

21./#4UTN
1(
1(1(
1(
'NGEVTGV#ORNKHKGFF[PCOKE
'NGEVTGV#ORNKHKGFF[PCOKE'NGEVTGV#ORNKHKGFF[PCOKE
'NGEVTGV#ORNKHKGFF[PCOKE
2QUKVKXGQTXQNVU
2QUKVKXGQTXQNVU2QUKVKXGQTXQNVU
2QUKVKXGQTXQNVU
/KETQRJQPGITQWPF
/KETQRJQPGITQWPF/KETQRJQPGITQWPF
/KETQRJQPGITQWPF
2QUKVKXGQTXQNVU
2QUKVKXGQTXQNVU2QUKVKXGQTXQNVU
2QUKVKXGQTXQNVU
'NGEVTGV#ORNKHKGFF[PCOKE
'NGEVTGV#ORNKHKGFF[PCOKE'NGEVTGV#ORNKHKGFF[PCOKE
'NGEVTGV#ORNKHKGFF[PCOKE
0GICVKXGITQWPF
0GICVKXGITQWPF0GICVKXGITQWPF
0GICVKXGITQWPF
/WUKECWFKQKPRWV/QPQTCN
/WUKECWFKQKPRWV/QPQTCN/WUKECWFKQKPRWV/QPQTCN
/WUKECWFKQKPRWV/QPQTCN
0GICVKXGITQWPF
0GICVKXGITQWPF0GICVKXGITQWPF
0GICVKXGITQWPF
+PVGTEQO)TQWPFVQCEVKXG
+PVGTEQO)TQWPFVQCEVKXG+PVGTEQO)TQWPFVQCEVKXG
+PVGTEQO)TQWPFVQCEVKXG
/GOQT[EJCPIGVQIINGITQWPF
/GOQT[EJCPIGVQIINGITQWPF/GOQT[EJCPIGVQIINGITQWPF
/GOQT[EJCPIGVQIINGITQWPF
5SWGNEJQWVRWV
5SWGNEJQWVRWV5SWGNEJQWVRWV
5SWGNEJQWVRWV
*GCFRJQPGQWVRWV
*GCFRJQPGQWVRWV*GCFRJQPGQWVRWV
*GCFRJQPGQWVRWV
2WUJVQVCNM266VQIINGITQWPF
2WUJVQVCNM266VQIINGITQWPF2WUJVQVCNM266VQIINGITQWPF
2WUJVQVCNM266VQIINGITQWPF
5RGCMGTQWVRWVA1JOU
5RGCMGTQWVRWVA1JOU5RGCMGTQWVRWVA1JOU
5RGCMGTQWVRWVA1JOU
.'&DCEMNKIJV&KOOGT
.'&DCEMNKIJV&KOOGT.'&DCEMNKIJV&KOOGT
.'&DCEMNKIJV&KOOGT
$CEMNKIJVUYKVEJ
$CEMNKIJVUYKVEJ$CEMNKIJVUYKVEJ
$CEMNKIJVUYKVEJ
&KOOGTXQNWOG
&KOOGTXQNWOG&KOOGTXQNWOG
&KOOGTXQNWOG
MQJOU
MQJOUMQJOU
MQJOU
5RGCMGT
5RGCMGT5RGCMGT
5RGCMGT
5RGCMGT
5RGCMGT5RGCMGT
5RGCMGT
0GICVKXGITQWPF
0GICVKXGITQWPF0GICVKXGITQWPF
0GICVKXGITQWPF
XX2QUKVKXG
XX2QUKVKXGXX2QUKVKXG
XX2QUKVKXG
5VKEMOQWPVGF266
5VKEMOQWPVGF2665VKEMOQWPVGF266
5VKEMOQWPVGF266
/KE266
/KE266/KE266
/KE266
/KETQRJQPG
/KETQRJQPG/KETQRJQPG
/KETQRJQPG
*GCFRJQPGRNWI
*GCFRJQPGRNWI*GCFRJQPGRNWI
*GCFRJQPGRNWI
*GCFRJQPGU
*GCFRJQPGU*GCFRJQPGU
*GCFRJQPGU
*GCFRJQPGRNWI
*GCFRJQPGRNWI*GCFRJQPGRNWI
*GCFRJQPGRNWI
*GCFRJQPGU
*GCFRJQPGU*GCFRJQPGU
*GCFRJQPGU
/KETQRJQPG
/KETQRJQPG/KETQRJQPG
/KETQRJQPG
/KE266
/KE266/KE266
/KE266
/KELCEM
/KELCEM/KELCEM
/KELCEM
/WUKERNC[GT
/WUKERNC[GT/WUKERNC[GT
/WUKERNC[GT
9JGPWUKPIGNGEVTGVQTCORNKHKGFF[PCOKEOKE[QW
9JGPWUKPIGNGEVTGVQTCORNKHKGFF[PCOKEOKE[QW9JGPWUKPIGNGEVTGVQTCORNKHKGFF[PCOKEOKE[QW
9JGPWUKPIGNGEVTGVQTCORNKHKGFF[PCOKEOKE[QW
OWUVWUGVJGKPFKXKFWCNKPRWVUCPF&QPQV
OWUVWUGVJGKPFKXKFWCNKPRWVUCPF&QPQVOWUVWUGVJGKPFKXKFWCNKPRWVUCPF&QPQV
OWUVWUGVJGKPFKXKFWCNKPRWVUCPF&QPQV
RCTCNNGNOQTGVJCPQPGRGTKPRWV
RCTCNNGNOQTGVJCPQPGRGTKPRWVRCTCNNGNOQTGVJCPQPGRGTKPRWV
RCTCNNGNOQTGVJCPQPGRGTKPRWV
0QVG1PVTCPUOKVDQVJOKEUCTG.+8'VQJCXG
0QVG1PVTCPUOKVDQVJOKEUCTG.+8'VQJCXG0QVG1PVTCPUOKVDQVJOKEUCTG.+8'VQJCXG
0QVG1PVTCPUOKVDQVJOKEUCTG.+8'VQJCXG
RKNQV%QRKNQVKUQNCVKQPVJGQRVKQPCNTGNC[DQCTF
RKNQV%QRKNQVKUQNCVKQPVJGQRVKQPCNTGNC[DQCTFRKNQV%QRKNQVKUQNCVKQPVJGQRVKQPCNTGNC[DQCTF
RKNQV%QRKNQVKUQNCVKQPVJGQRVKQPCNTGNC[DQCTF
ECPDGRWTEJCUGF%QPVCEV[QWT2QNOCTFGCNGTHQT
ECPDGRWTEJCUGF%QPVCEV[QWT2QNOCTFGCNGTHQTECPDGRWTEJCUGF%QPVCEV[QWT2QNOCTFGCNGTHQT
ECPDGRWTEJCUGF%QPVCEV[QWT2QNOCTFGCNGTHQT
FGVCKNU
FGVCKNUFGVCKNU
FGVCKNU
㫉㫀㫅㫋㪼㪻㩷㫀㫅㩷㪡㪸㫇㪸㫅㩷㩷㩷㩷㪤㪸㫐㩷㪉㪇㪇㪏
㩷㪇㪇㪤㪌㪉㪘㪚㪏㪌㪈㪇㪋㪇

Related product manuals