EasyManua.ls Logo

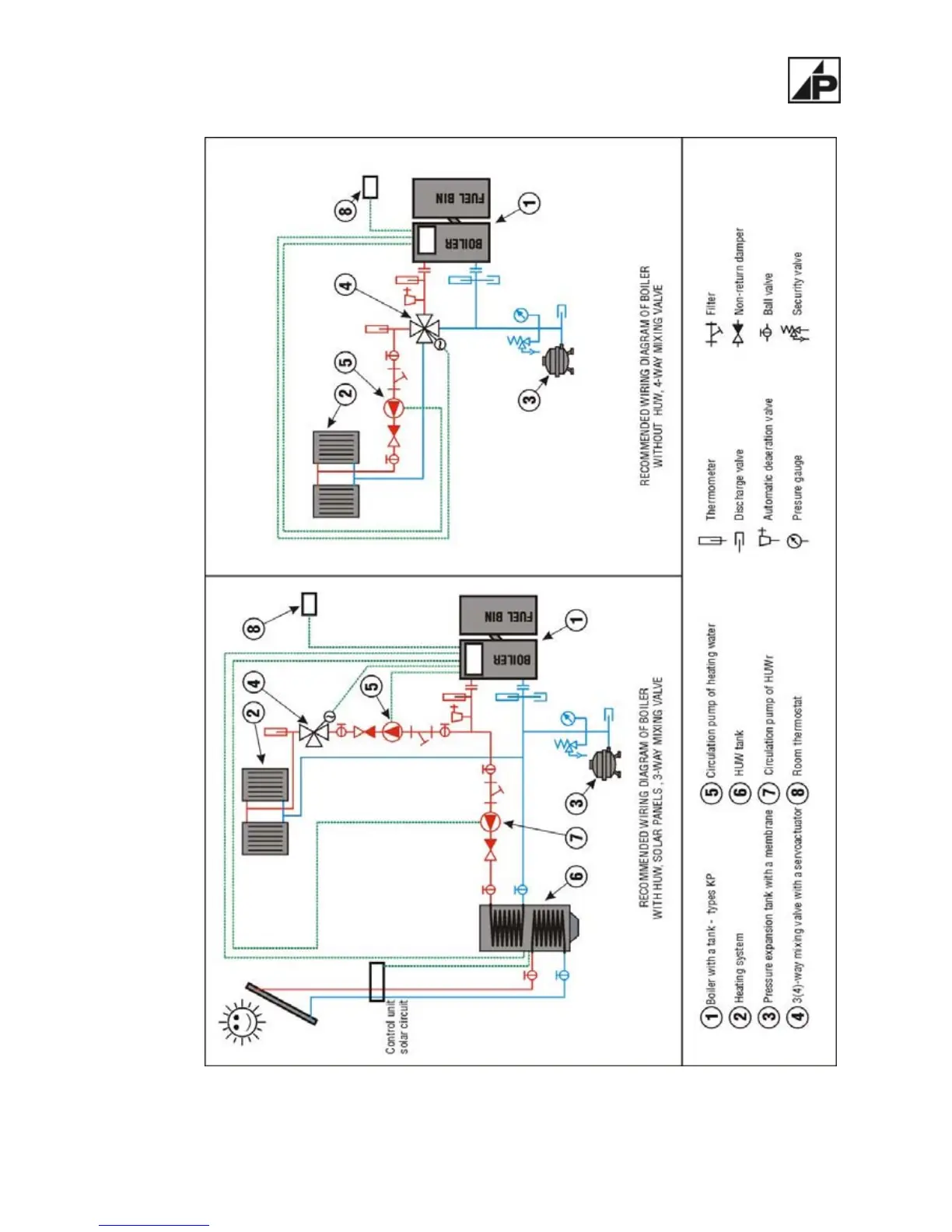
Ponast KP 21 - Fig.n. 15 Recommended Wiring Diagram of Boiler

Default Icon
59 pages
Print Icon
To Next Page IconTo Next Page
To Next Page IconTo Next Page
To Previous Page IconTo Previous Page
To Previous Page IconTo Previous Page
Loading...
Automatic boiler for wood pellets
Instructions for installation and operation
Figure number 14 – Recommended wiring diagram of boiler
38

Table of Contents

Other manuals for Ponast KP 21

Related product manuals