EasyManua.ls Logo

POOLEX Nano - Appendices; Wiring Diagrams

POOLEX Nano
28 pages
Print Icon
To Next Page IconTo Next Page
To Next Page IconTo Next Page
To Previous Page IconTo Previous Page
To Previous Page IconTo Previous Page
Loading...
26
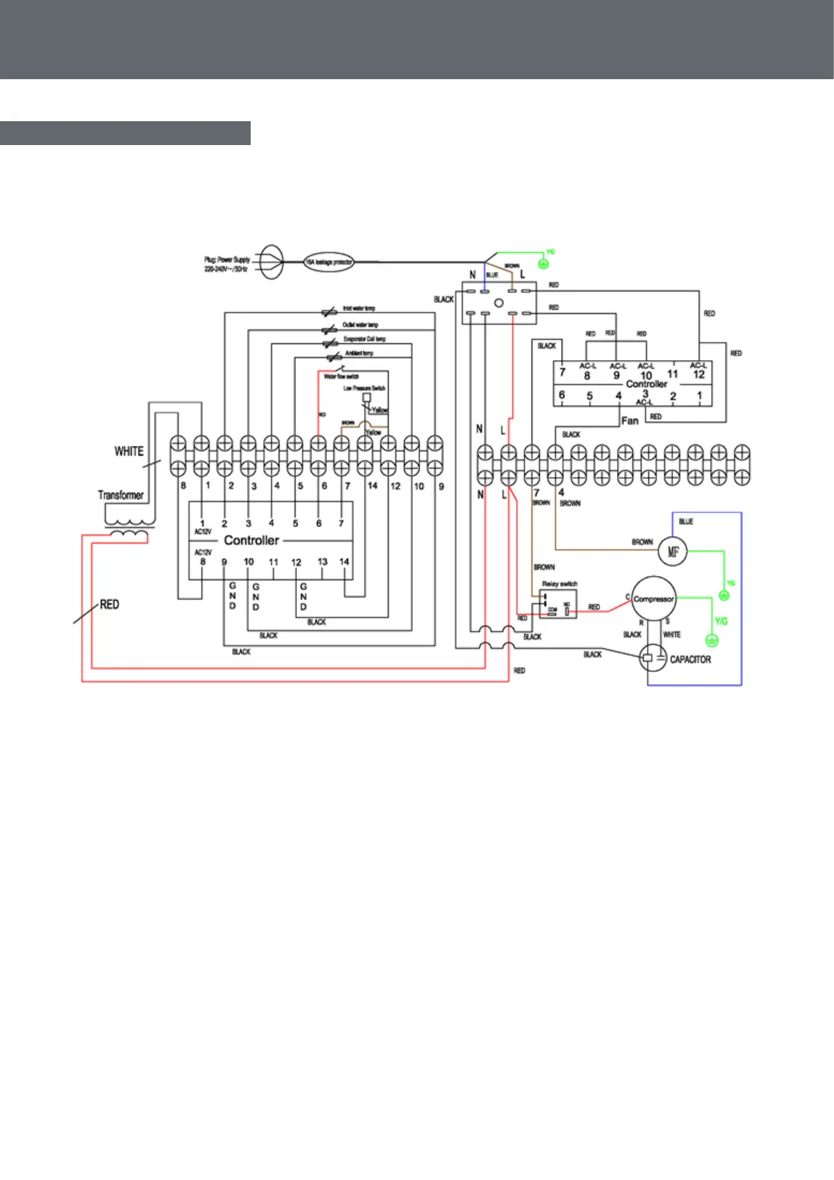
10.1 Wiring diagrams
10. Appendices

Other manuals for POOLEX Nano

Related product manuals