EasyManua.ls Logo

Porsche E-Performance - Page 37

Porsche E-Performance
Print Icon
To Next Page IconTo Next Page
To Next Page IconTo Next Page
To Previous Page IconTo Previous Page
To Previous Page IconTo Previous Page
Loading...
35
Montage
EN
ES
IT
JP
KO
NL
PTB
RU
ZH
ZHT
DE
FR
Monter le piédestal à un endroit protégé de la
pluie et sur une surface solide. Éviter les endroits
directement exposés aux rayons du soleil.
Installer le piédestal le plus près possible de
l’emplacement du véhicule pour pouvoir utiliser le
câble du véhicule de 2,5 m de long. Tenir compte
pour cela de l’emplacement de stationnement
préféré et de l’orientation du véhicule.
Ne pas monter le piédestal :
dans des zones à risques d’explosion,
au niveau de voies de secours ou de passages
(le câble ne doit pas non plus traverser de
voies de secours ou de passages),
dans des endroits exposés à des jets d’eau
directs (par exemple, nettoyeurs haute
pression ou arrosage du jardin),
sous des objets suspendus,
dans des étables, des écuries et tout endroit
où du gaz ammoniac est présent.
Ordre de montage recommandé
1. Préparer la fondation (avec le fourreau et
les tiges d’ancrage).
2. Poser le câble du dispositif de séparation
du réseau jusqu’à la fondation.
3. Monter le piédestal.
4. Faire installer l’alimentation électrique par
un électricien qualifié.
Préparation de la fondation
Pour une fixation solide : vérifier la qualité de
la fondation avant le montage !
S’il existe déjà un support solide conforme au calcul
statique offrant une possibilité appropriée d’arrivée
des câbles, il n’est pas nécessaire de réaliser une
fondation spécifique. Dans ce cas, le piédestal peut
être monté directement sur le support existant.
Montage sur un support existant
1. Marquer les trous de perçage sur le sol au niveau
du passage des câbles.
2. Percer des trous de fixation de ø 14 mm et
mettre en place le kit de fixation à la fondation
conformément à la notice du produit.
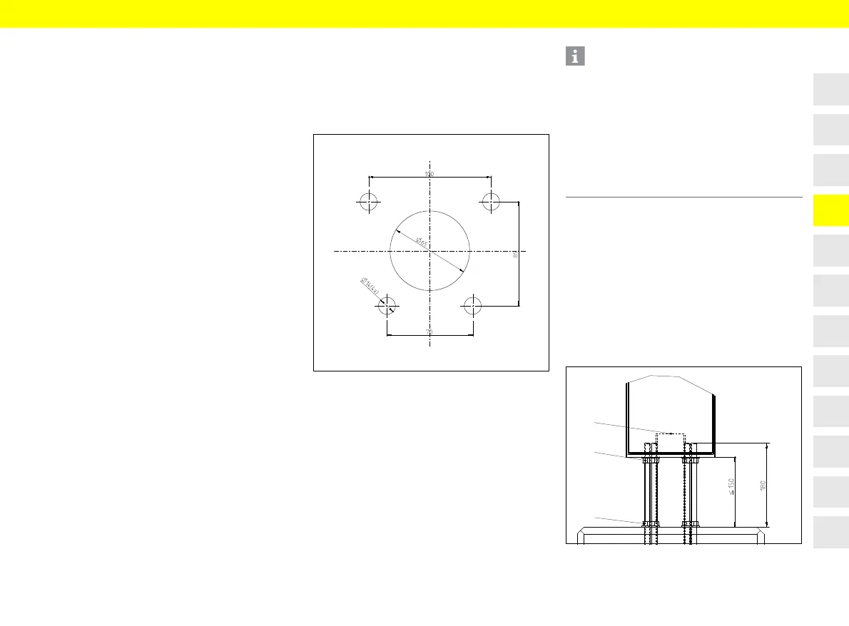
Fig. 2 : Cotes de perçage
Montage du piédestal
Le client doit faire réaliser la fondation dans
les règles de l’art.
Fixation par ex. avec HILTI HVA (voir Annexe : kit
de fixation à la fondation Hilti à la page 41) ou
équivalent.
Préparation du montage à distance
1. Serrer les tiges d’ancrage sur la fondation à l’aide
de quatre rondelles A13 et de quatre écrous
hexagonaux M12. Couple de serrage max. :
40 Nm.
2. Régler la hauteur souhaitée (entre 30 mm et
150 mm) à l’aide de quatre écrous hexagonaux
M12 et de rondelles A13.
3. Fourreau : dépassement d’au moins 250 mm
au-dessus de la fondation.
Fig. 3 : Montage à distance
Arrière
Avant
Information
En règle générale, le piédestal se monte directement
(sans écart) sur le support en béton armé fini
recouvert d’un revêtement de sol (par ex. pavage,
goudron, etc.) (voir Fig. 7).
Si le revêtement de sol doit être terminé ultérieu-
rement, un montage à distance est possible afin
de monter le piédestal au-dessus du revêtement
de sol prévu avant la pose effective de ce dernier
(voir Fig. 3).
1
2
3

Related product manuals