EasyManua.ls Logo

Powermate PMD5000s - Page 105

Powermate PMD5000s
113 pages
Print Icon
To Next Page IconTo Next Page
To Next Page IconTo Next Page
To Previous Page IconTo Previous Page
To Previous Page IconTo Previous Page
Loading...
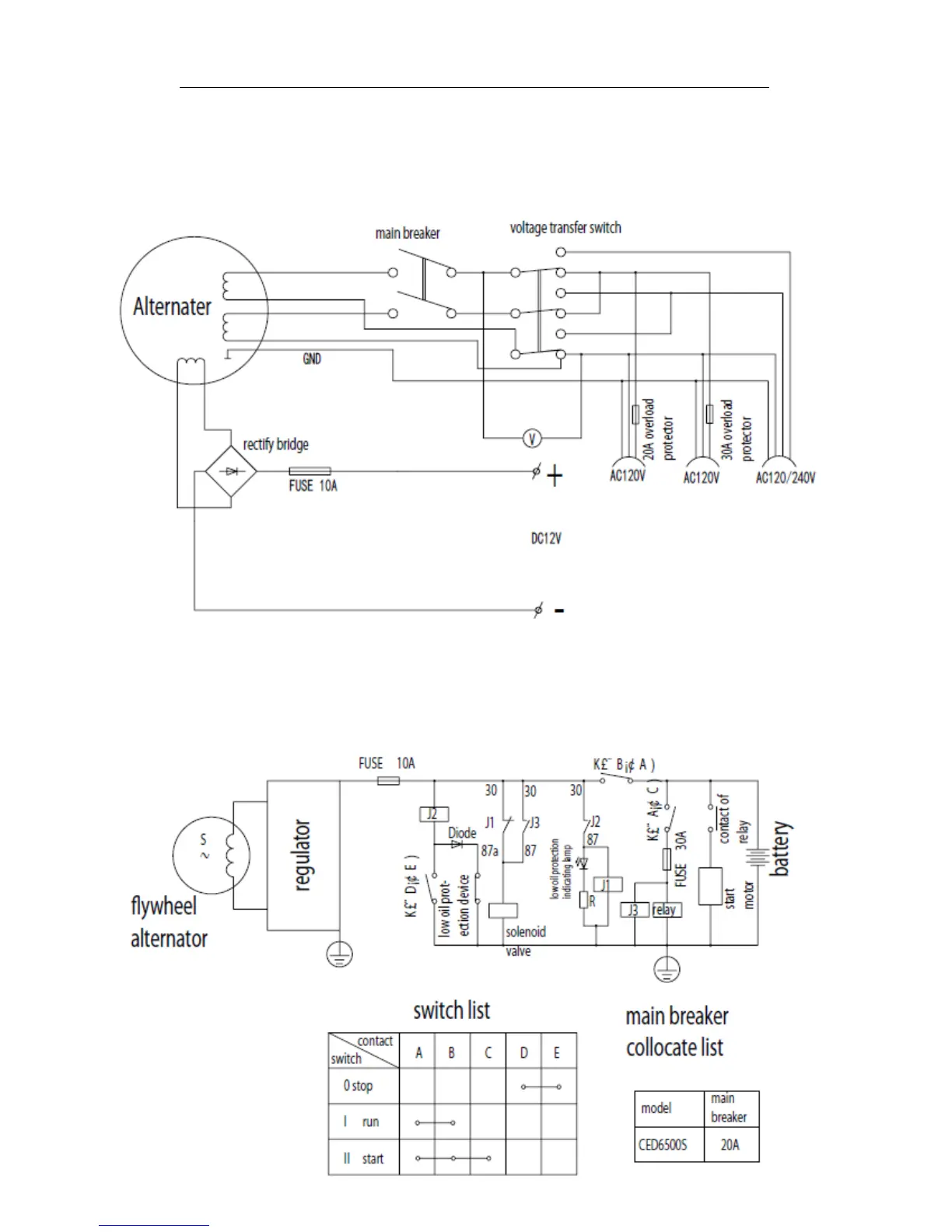
SCHEMA DU CIRCUIT
CHAPITRE 5 SCHEMA DU CIRCUIT
Figure 5-1 Schéma circuit voltage bipolaire monophasé
105

Table of Contents

Related product manuals