EasyManua.ls Logo

Powermate PMD5000s - Chapter 5 Circuit Diagram

Powermate PMD5000s
113 pages
Print Icon
To Next Page IconTo Next Page
To Next Page IconTo Next Page
To Previous Page IconTo Previous Page
To Previous Page IconTo Previous Page
Loading...
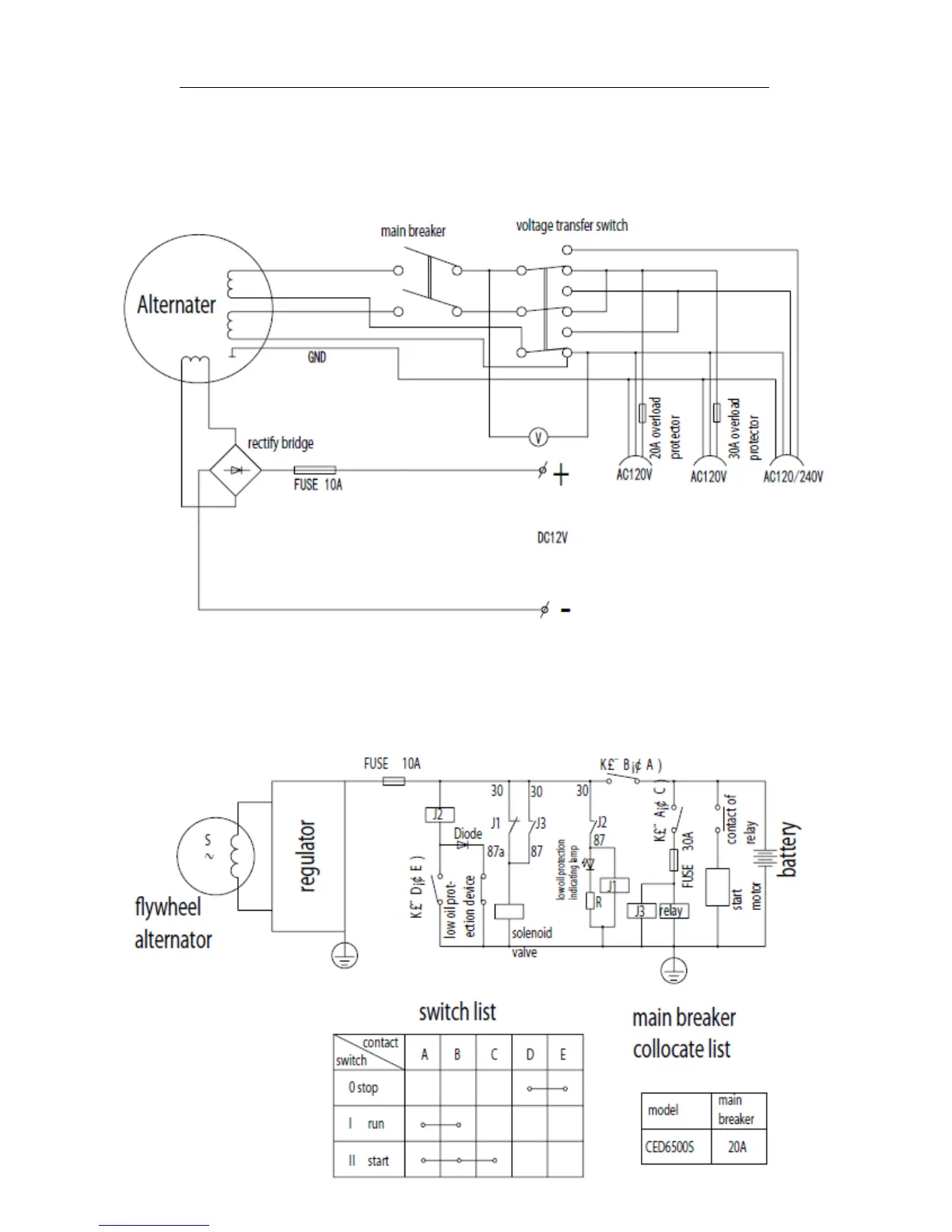
CIRCUIT DIAGRAM
CHAPTER 5 CIRCUIT DIAGRAM
Figure 5-1 single-phase double voltage circuit diagram
19

Table of Contents

Related product manuals