EasyManua.ls Logo

Powermate PMD5000s - Page 20

Powermate PMD5000s
113 pages
Print Icon
To Next Page IconTo Next Page
To Next Page IconTo Next Page
To Previous Page IconTo Previous Page
To Previous Page IconTo Previous Page
Loading...
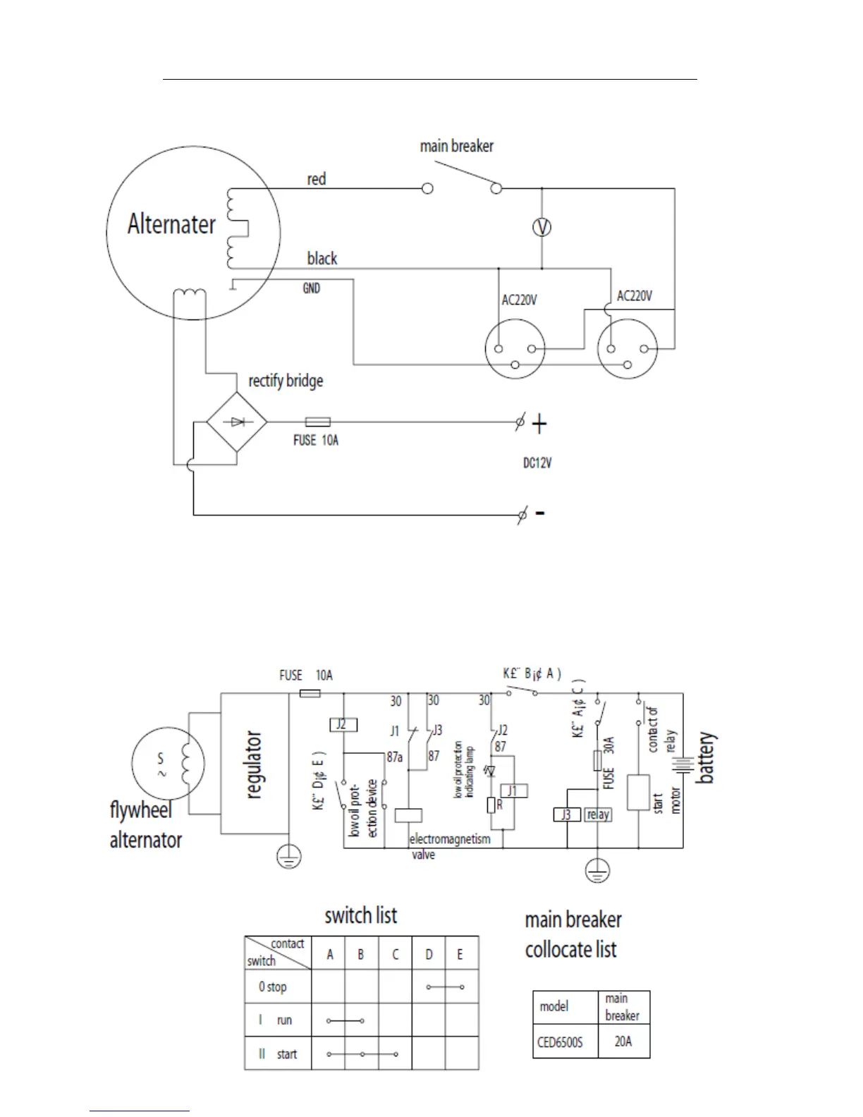
CIRCUIT DIAGRAM
Figure 5-2 single-phase single voltage circuit diagram
20

Table of Contents

Related product manuals