EasyManua.ls Logo

Powermate PMD5000s - Page 21

Powermate PMD5000s
113 pages
Print Icon
To Next Page IconTo Next Page
To Next Page IconTo Next Page
To Previous Page IconTo Previous Page
To Previous Page IconTo Previous Page
Loading...
CALIFORNIA EMISSIONS CONTROL WARRANTY STATEMENT
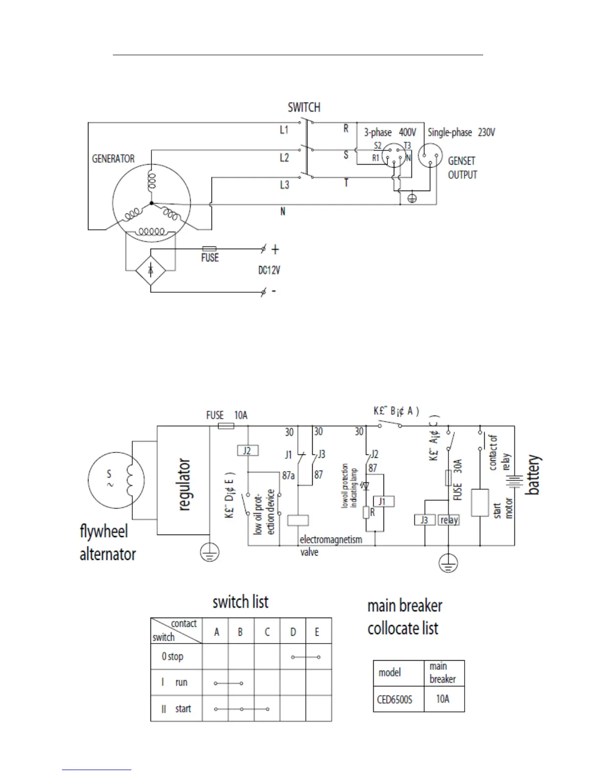
Figure 5-3 three-phase circuit diagram
21

Table of Contents

Related product manuals