EasyManua.ls Logo

Powermate PMD5000s - Capítulo 5 Diagrama del Circuito

Powermate PMD5000s
113 pages
Print Icon
To Next Page IconTo Next Page
To Next Page IconTo Next Page
To Previous Page IconTo Previous Page
To Previous Page IconTo Previous Page
Loading...
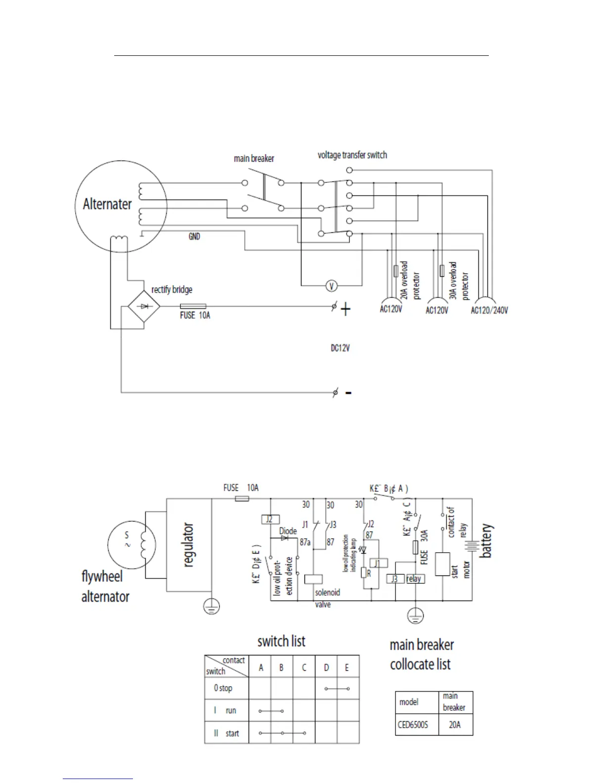
DIAGRAMA DEL CIRCUITO
CAPÍTULO 5 DIAGRAMA DEL CIRCUITO
Figura 5-1 diagrama del circuito de doble tensión monofásico
76

Table of Contents

Related product manuals