EasyManua.ls Logo

Powermate PMD5000s - Page 49

Powermate PMD5000s
113 pages
Print Icon
To Next Page IconTo Next Page
To Next Page IconTo Next Page
To Previous Page IconTo Previous Page
To Previous Page IconTo Previous Page
Loading...
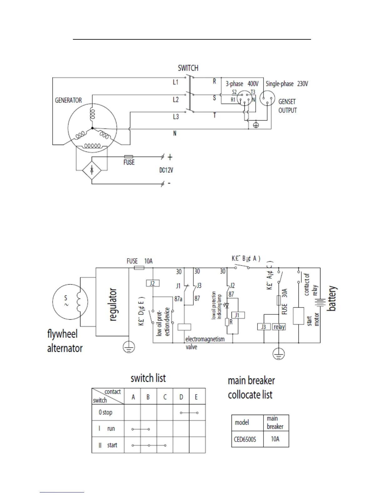
DIAGRAMMA DI CIRCUITO
Figura 5-3 diagramma di circuito trifase
49

Table of Contents

Related product manuals