EasyManua.ls Logo

Powermate PMD5000s - Page 78

Powermate PMD5000s
113 pages
Print Icon
To Next Page IconTo Next Page
To Next Page IconTo Next Page
To Previous Page IconTo Previous Page
To Previous Page IconTo Previous Page
Loading...
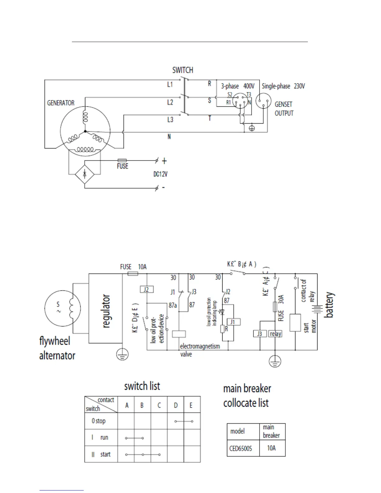
DIAGRAMA DEL CIRCUITO
Figura 5-3 diagrama del circuito trifásico
78

Table of Contents

Related product manuals