EasyManua.ls Logo

Powermatic PM3000 - Replacement Parts

Powermatic PM3000
36 pages
Print Icon
To Next Page IconTo Next Page
To Next Page IconTo Next Page
To Previous Page IconTo Previous Page
To Previous Page IconTo Previous Page
Loading...
26
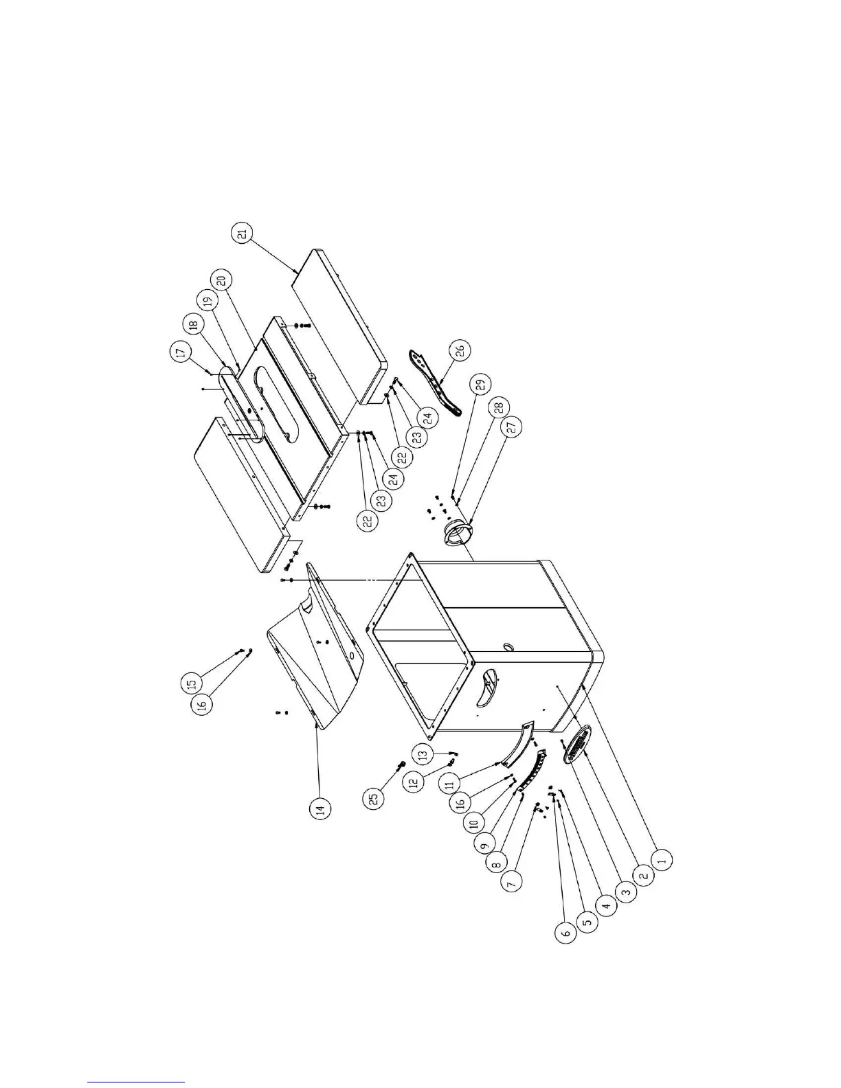
Replacement Parts
To order parts or reach our service department, call 1-800-274-6848, Monday through Friday (see our
website for business hours, www.powermatic.com). Having the Model Number and Serial Number of your
machine available when you call will allow us to serve you quickly and accurately.
Table & Cabinet Assembly

Related product manuals