EasyManua.ls Logo

Prestige APS 685 - Neutral Safety Switch Considerations

Default Icon
20 pages
Print Icon
To Next Page IconTo Next Page
To Next Page IconTo Next Page
To Previous Page IconTo Previous Page
To Previous Page IconTo Previous Page
Loading...
128-5861A
17 of 20
CAUTION!
REMEMBER TO RECONNECT THE BROWN/BLACK WIRE TEMPORARILY
DISCONNECTED IN STEP 3
DO NOT RELEASE THIS VEHICLE TO THE CONSUMER UNTIL YOU CONFIRM THE OPERATION
OF THE NEUTRAL SAFETY START FEATURE.
MECHANICAL NEUTRAL SAFETY SWITCH CONSIDERATIONS:
Mechanical neutral safety switch configurations differ slightly in that they do not offer the same level of
safety when installing a remote start device. Often when the ignition switch is turned off while the gear
selector is in any position other than park or neutral, the mechanical function will not allow the key to be
turned to the start position or be removed from the ignition cylinder. This configuration prevents mechani-
cal operation while the vehicle is in gear but offers no consideration for electrical operation. Because of
this potential problem, this installation requires the additional connection of a safety wire from the remote
start device to the vehicle Park/Neutral ECM Input or the vehicle key in sensor. This connection will
prevent remote start operation if the key is left in the ignition switch regardless of the gear selectors
position.
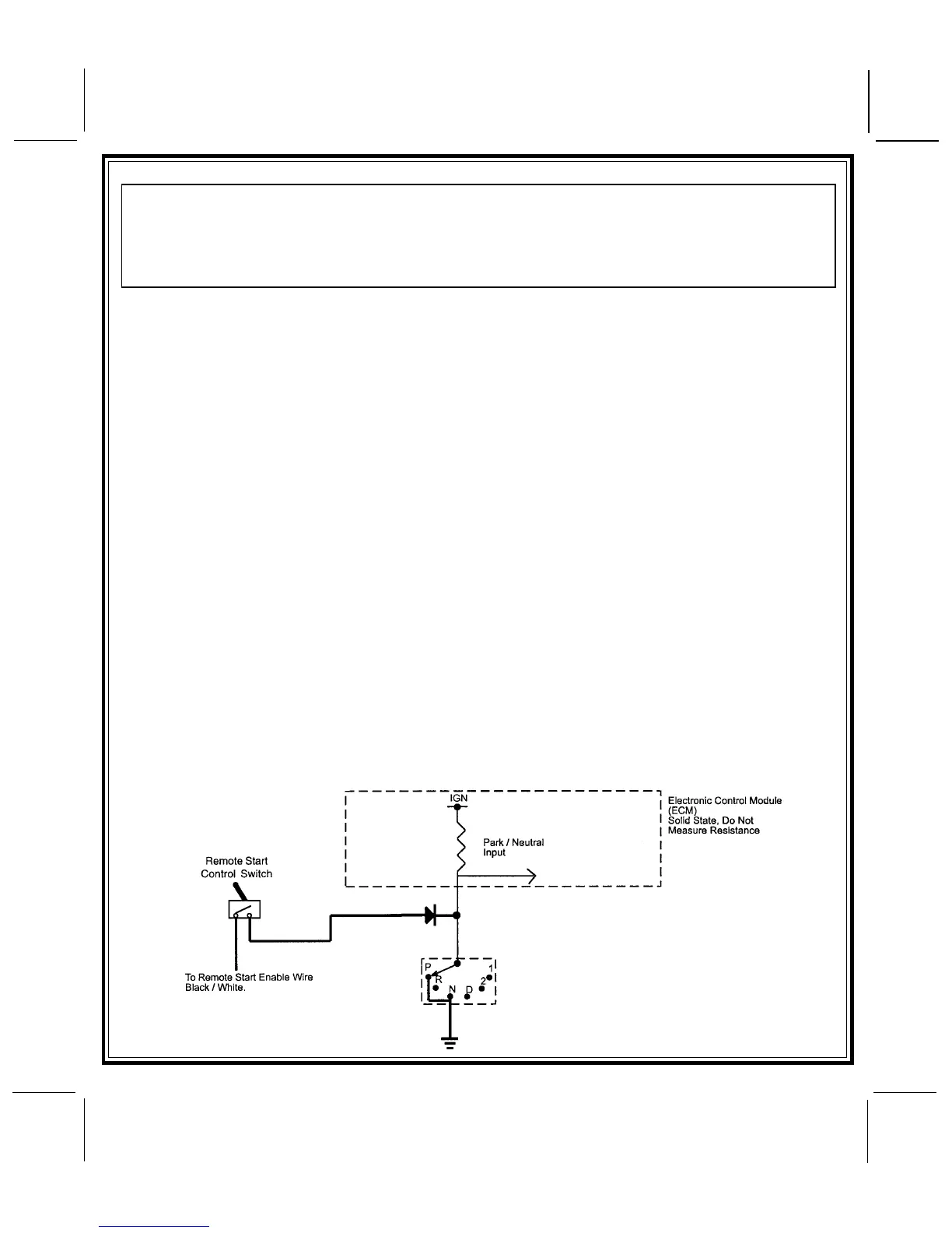
PARK / NEUTRAL ECM INPUT:
The Park / Neutral ECM input is the preferred method of installation. This not only maintains the integrity
of the factory circuit, it is also the easiest to install, providing the vehicle you are working on has this
ECM input.
The installation required for this application (shown below), indicates the slight reconfiguration of the
control switch wiring and the addition of a 4000 series diode. Shown is a typical GM Park/Neutral ECM
input circuit. To connect the Audiovox remote start unit to the GM Park / Neutral ECM input:
1. Locate the Orange / Black reference wire in the "C2" connector found at the ECM in GM B Body
vehicles or, locate the equivalent reference wire in the vehicle you are installing the Audiovox Remote
Start Unit in.
2. Connect the Cathode, (Striped) end, of a 4000 series diode to this reference wire.
3. Connect the Anode, (Non Striped) end, of the diode to one side of the Remote Starts enable switch.
4. Connect the other side of the enable switch to the Black/White enable input wire of the Remote Start
unit.
The reference diagram below shows a typical GM B Body ECM reference wire and how it is to be
connected to the Remote Start Unit.
17

Other manuals for Prestige APS 685

Related product manuals