EasyManua.ls Logo

Prestige APS 685 - Page 6

Default Icon
20 pages
Print Icon
To Next Page IconTo Next Page
To Next Page IconTo Next Page
To Previous Page IconTo Previous Page
To Previous Page IconTo Previous Page
Loading...
128-5861A
6 of 20
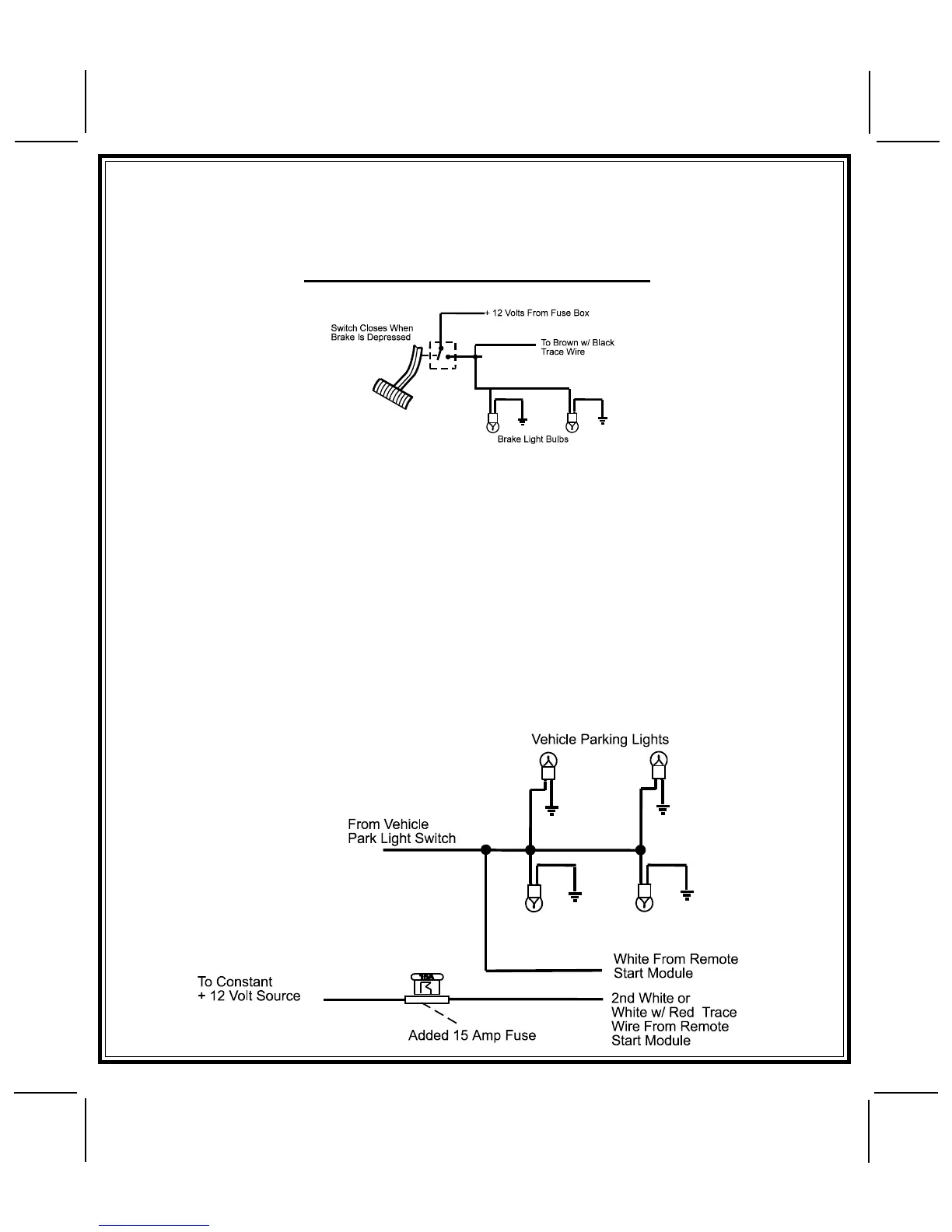
BROWN w/ BLACK Tracer Wire: Positive Inhibit Input 2
Any time + 12 Volts is applied to the Brown w/ Black tracer wire, the Remote Starter will stop operating, even
if the signal is received from the transmitter. If the brake light switch in the vehicle switches + 12 Volts to the
brake light circuit, connect the Brown w/ Black trace wire to the output of the brake light switch. If the brake
light switch in the vehicle switches ground, do not use the Brown w/ Black wire; see Grey w/ Black tracer wire.
Brake Switch Positive Shutdown Detail
YELLOW w/ BLACK Tracer Wire: + 12 Volt Alarm By - Pass Output
NOTE: YOU MUST DISCONNECT THE IGNITION INPUT OF THE ALARM FROM ANY OTHER
WIRE THAT IT IS PRESENTLY CONNECTED TO IN THE VEHICLE.
This wire provides a + 12 Volt output when the ignition key is turned to the “ON” position, and 0 Volts when
the ignition key is “OFF” and when the vehicle is running under the control of the remote starter.
This wire should be connected to the ignition input of the alarm system.
The Yellow w/ Black wire output will allow you to remote start the vehicle while leaving the alarm armed, and
to lock/unlock the doors while running under control of the remote start unit.
(2) WHITE Wires: Parking Light Flasher
These wires are the COMMON and NORMALLY OPEN contacts of the on-board parking lamp relay.
If the vehicle's parking lights are a +12 volt switched system, connect (1) of the White wires to a fused (15A
max.) +12 volt battery source, and connect the second White wire to the vehicle's parking light wire.
If the vehicle's parking lights are a chassis ground switched system, connect (1) of the White wires to a
chassis ground source, and connect the second White wire to the vehicle's parking light wire.
6

Other manuals for Prestige APS 685

Related product manuals