EasyManua.ls Logo

Prestige Excellence - Page 100

Default Icon
114 pages
Print Icon
To Next Page IconTo Next Page
To Next Page IconTo Next Page
To Previous Page IconTo Previous Page
To Previous Page IconTo Previous Page
Loading...
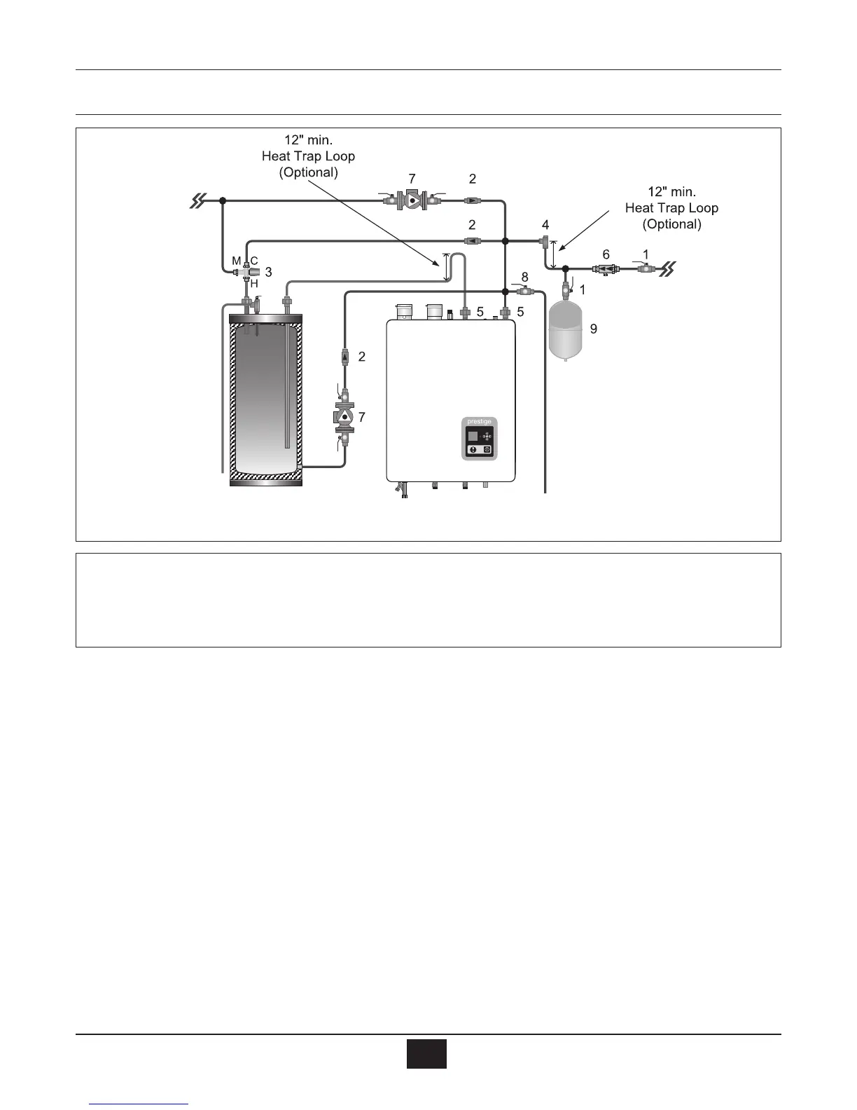
Installation - Piping Diagrams
10
1. Mixing valve with check valve
2. Flow check valve
3. Shut-off valve
4. Backflow preventer or pressure reducing valve(*)
6. Thermal expansion tank
7. Circulator (controlled by aquastat)
8 Domestic drain valve
9. Vacuum Breaker *
(*) Optional devices may be required by local codes.
Domestic Piping with Optional Storage Tank
Fig. 6:

Table of Contents

Related product manuals