EasyManua.ls Logo

Prestige Excellence - SECTION VII - INTERNAL WIRING

Default Icon
114 pages
Print Icon
To Next Page IconTo Next Page
To Next Page IconTo Next Page
To Previous Page IconTo Previous Page
To Previous Page IconTo Previous Page
Loading...
21
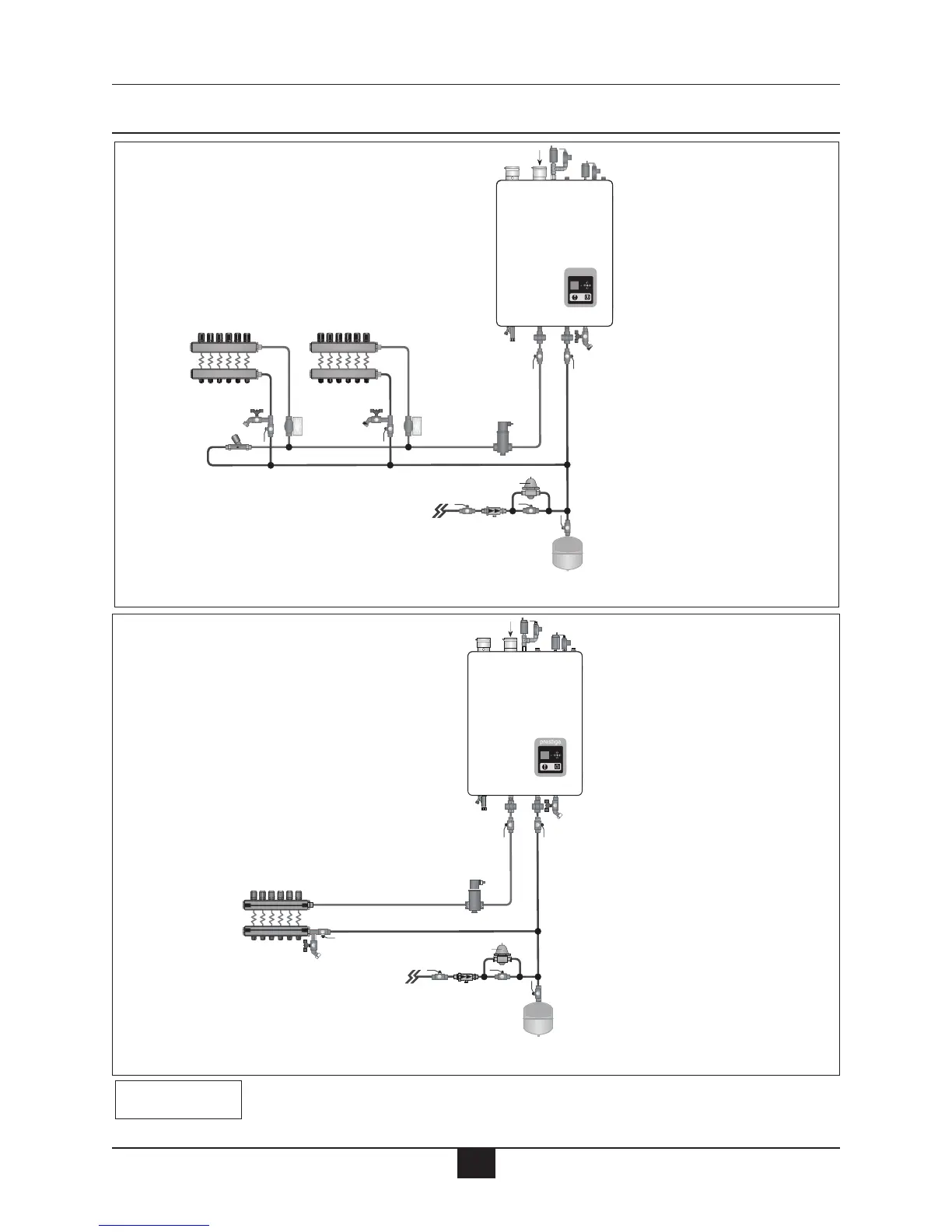
Boiler Piping
Z.V.
Z.V.
D.V.
BC1
prestige
AUX
(Inside cabinet)
AUX
(Inside Cabinet)
Fig. 11: System Piping - Multiple Zone Valve with Single System/Boiler Circulator
Fig. 12: System Piping - Single Zone System with Single System/Boiler Circulator
Note: Verify AUX circulator is
properly sized to overcome the
system pressure drop and pro-
vide adequate flow through the
boiler system.
Note: Verify AUX circulator
is properly sized to overcome
the system pressure drop and
provide adequate flow
through the boiler system.
The boiler system piping shown must be a “closed” system to avoid any
oxygen contamination and potential failure of the outer tank of the water
heater.
NOTICE
Note: Reference Fig. 25, page 36 for
Prestige Wiring.
Note: Reference Fig. 26, page 36 for
Prestige Wiring.

Table of Contents

Related product manuals