EasyManua.ls Logo

Princess auto EHS350A - Handle & Main Cover Assembly

Default Icon
59 pages
Print Icon
To Next Page IconTo Next Page
To Next Page IconTo Next Page
To Previous Page IconTo Previous Page
To Previous Page IconTo Previous Page
Loading...
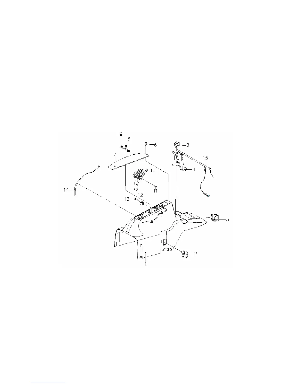
5. Handle & Main Cover Assembly
51

Related product manuals