EasyManua.ls Logo

Printronix T4M - Figure 26. The Rewinder In Peel-Off Mode

Printronix T4M
308 pages
Print Icon
To Next Page IconTo Next Page
To Next Page IconTo Next Page
To Previous Page IconTo Previous Page
To Previous Page IconTo Previous Page
Loading...
256
Appendix B
Using The Standard Peel With Liner Rewinder Option
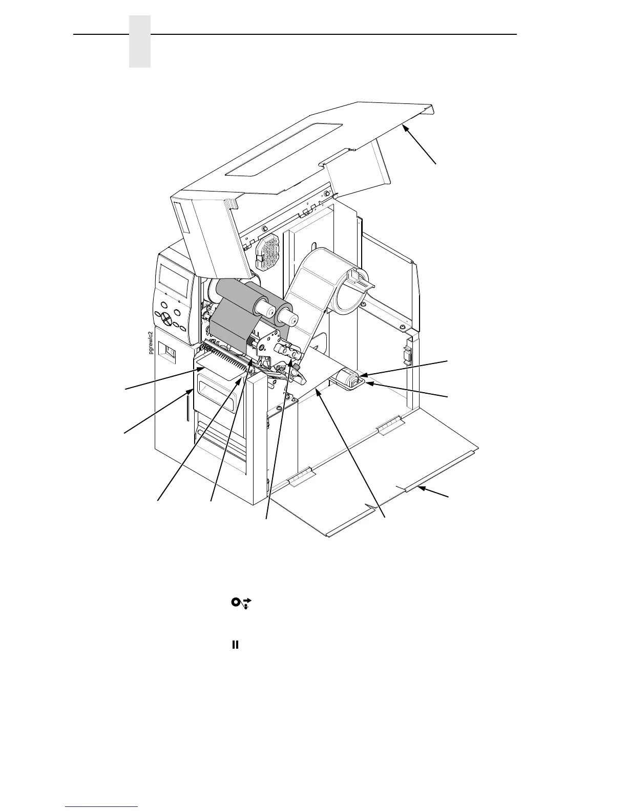
Figure 26. The Rewinder In Peel-Off Mode
16. Close the peel-off door and snap it down to lock it in place.
17. Press the (Feed) key. The label advances to the peel-off position,
and “LABEL READY Remove Label” displays on the LCD. The liner
remains on the rewinder. See
Figure 26.
18. Press the (Pause) key until ONLINE displays.
19. Close the side cover and media cover.
Tear Bar
Label
Liner
Media
Rewinder Clip
Rewinder
Peel-Off
Door
Deck Lock Lever
Media Cover
Side Cover
Printhead

Table of Contents

Related product manuals