EasyManua.ls Logo

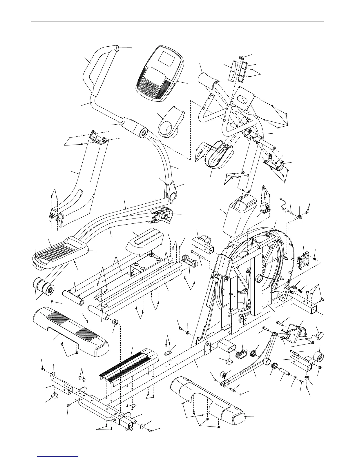
Pro-Form PRO 9.9 - Exploded Drawing

Pro-Form PRO 9.9
32 pages
Print Icon
To Next Page IconTo Next Page
To Next Page IconTo Next Page
To Previous Page IconTo Previous Page
To Previous Page IconTo Previous Page
Loading...
30
1
6
12
5
2
4
9
14
16
13
15
17
25
27
27
29
31
34
38
39
33
33
37
46
48
52
44
47
51
54
56
59
66
68
62
67
69
72
76
73
75
77
80
88
85
89
90
92
92
91
95
97
105
106
107
136
136
132
132
104
99
144
122
99
140
135
144
144
104
104
129
132
104
104
104
142
104
104
104
146
104
138
138
104
104
104
104
127
3
134
10
123
8
95
104
65
129
132
32
24
63
148
104
7
11
11
104
104
115
115
109
109
EXPLODED DRAWING A
Model No. PFEL31016.0 R0816A

Related product manuals