EasyManua.ls Logo

Pro-Form trainer 430i - Page 30

Pro-Form trainer 430i
32 pages
Print Icon
To Next Page IconTo Next Page
To Next Page IconTo Next Page
To Previous Page IconTo Previous Page
To Previous Page IconTo Previous Page
Loading...
30
43
21
100
11
43
38
38
4
1
2
27
91
90
30
48
89
90
47
48
28
28
28
28
8
8
84
86
8
31
8
85
8
22
87
88
8
84
11
103
103
102
24
4
96
1
97
95
2
11
104
101
78
21
83
104
11
103
103
102
78
99
98
113
24
7
92
94
93
92
91
47
90
27
96
90
30
97
31
89
113
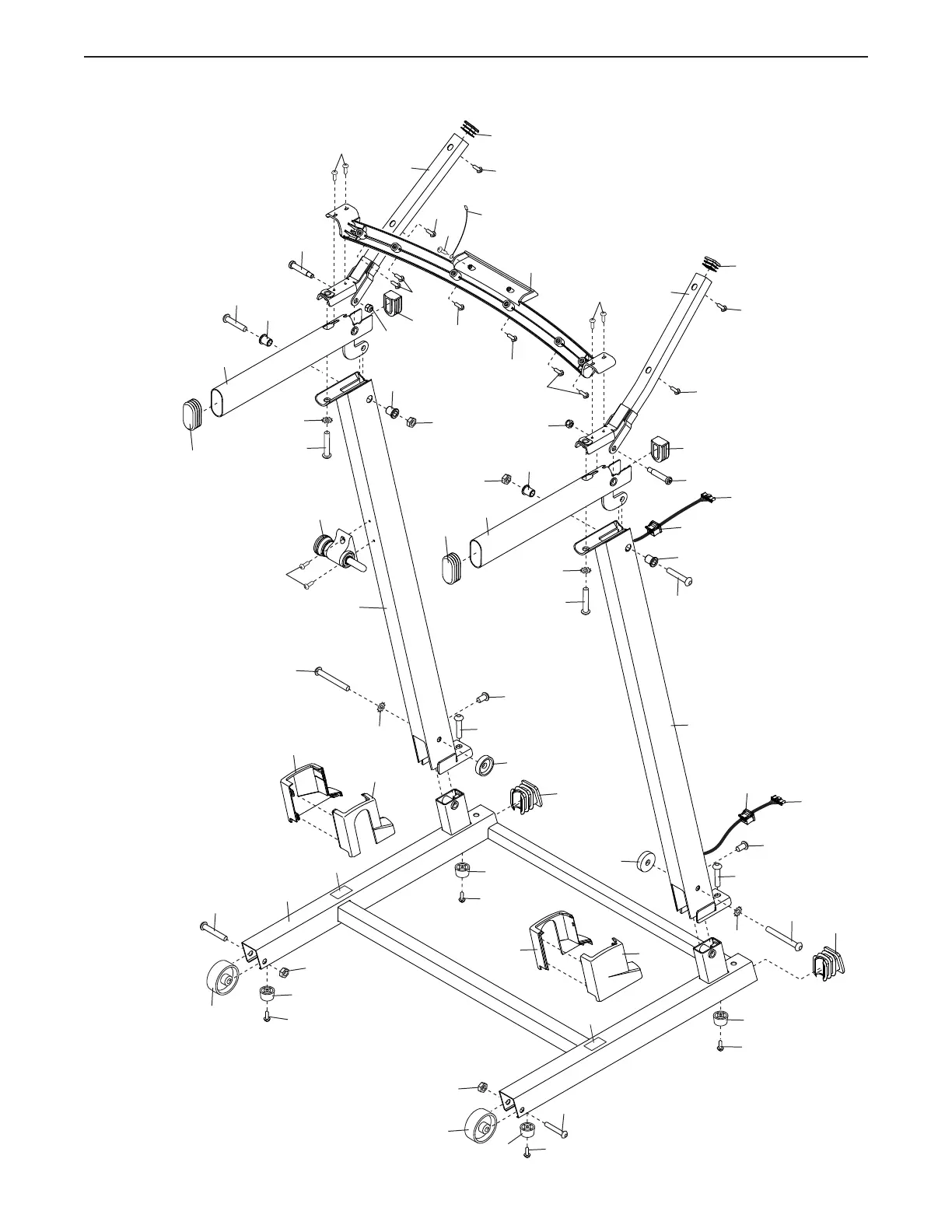
EXPLODED DRAWING C
Model No. PFTL39617-INT.0 R0421A

Related product manuals