EasyManua.ls Logo

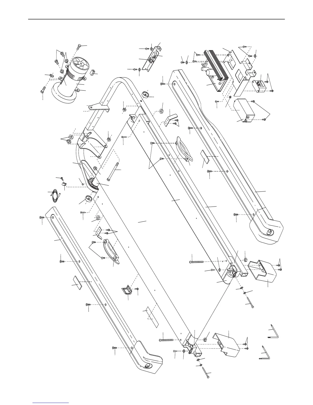
ProForm 3.9 Xm Treadmill - EXPLODED DRAWING A

ProForm 3.9 Xm Treadmill
32 pages
Print Icon
To Next Page IconTo Next Page
To Next Page IconTo Next Page
To Previous Page IconTo Previous Page
To Previous Page IconTo Previous Page
Loading...
5
39
9
5
10
60
47
47
11
62
61
47
66
24
64
65
66
72
73
4
4
3
71
68
4
4
20
20
38
76
83
38
21
82
85
82
21
79
80
38
76
4
4
74
75
4
68
4
63
24
71
76
76
67
43
69
69
40
38
77
77
15
15
70
94
94
70
2
96
51
11
102
103
12
11
101
104
105
11
11
8
87
86
11
11
12
12
107
95
106
12
12
11
12
81
28
EXPLODED DRAWING A—Model No. PETL40807.0 R
0907A

Other manuals for ProForm 3.9 Xm Treadmill

Related product manuals