EasyManua.ls Logo

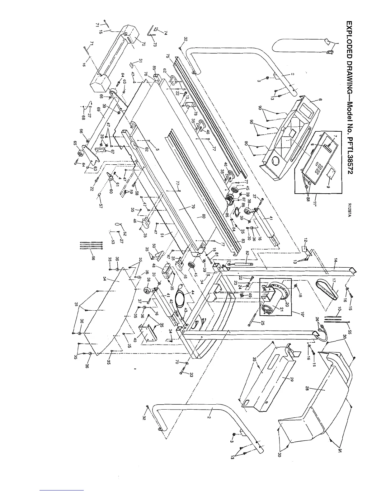
ProForm 385 - Exploded Drawing; Exploded View of Treadmill Components

ProForm 385
19 pages
Print Icon
To Previous Page IconTo Previous Page
To Previous Page IconTo Previous Page
Loading...

Related product manuals