EasyManua.ls Logo

ProForm 530 - Page 33

ProForm 530
34 pages
Print Icon
To Next Page IconTo Next Page
To Next Page IconTo Next Page
To Previous Page IconTo Previous Page
To Previous Page IconTo Previous Page
Loading...
109
99
101
102
83
36
36
96
98
97
116
78
102
101
92
71
19
19
47
100
47
100
47
100
47
100
111
21
102
128
118
103
56
63
85
86
129
127
123
123
126
124
6
112
122
122
130
125
6
130
91
6
87
79
76
80
89
6
6
7
68
14
110
68
72
88
13
6
73
6
6
6
70
6
6
6
6
77
114
8
8
6
6
6
6
6
6
94
95
6
83
112
69
92
71
69
82
81
130
130
130
90
84
90
84
21
108
106
107
99
21
108
106
107
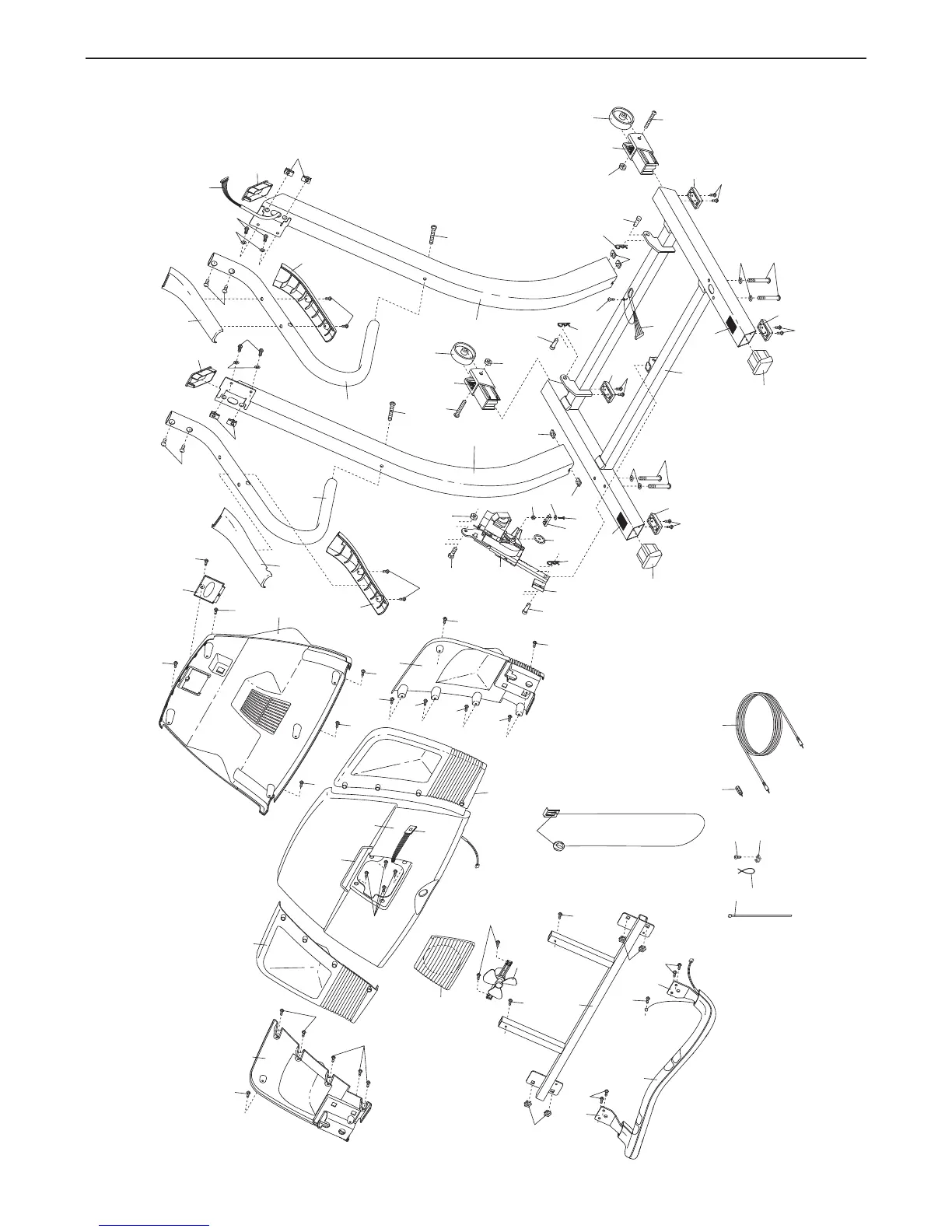
EXPLODED DRAWING—Model No. PFTL51232 R1203A

Related product manuals